This thread has been locked.

If you have a related question, please click the "Ask a related question" button in the top right corner. The newly created question will be automatically linked to this question.

[参考译文] 具有自动方向功能的双向缓冲器

Guru**** 2470720 points
Other Parts Discussed in Thread: SN74LXC8T245, SN74LXC2T45, SN74LXC1T45, SN74LVC16T245, SN74LV125A, SN74LV4051A, TMUX1208, SN74LVC1G125, TXB0104, TXB0108

请注意,本文内容源自机器翻译,可能存在语法或其它翻译错误,仅供参考。如需获取准确内容,请参阅链接中的英语原文或自行翻译。

https://e2e.ti.com/support/logic-group/logic/f/logic-forum/1116588/bidirectional-buffer-with-autodirection

主题中讨论的其他器件:SN74LXC8T245SN74LXC2T45SN74LXC1T45SN74LVC16T245SN74LV125ASN74LV4051ATMUX1208SN74LVC1G125TXB0104SN74LV125TXB0108

您好!

我们正在为我们的应用之一寻找双向缓冲器/电平转换器。 我们有48个 GPIO、可用作输入和输出(可在 SW 中配置)。 我们希望通过添加缓冲器来提高微控制器的驱动强度(高达5mA)。 微控制器以5V 电平运行、因此 我们正在寻找 双向缓冲器、因为任何 GPIO 都可以充当输入或输出、因此可以在任一方向上进行5V 转换。 我们已经讨论了多电平转换器芯片、这些芯片规定 VCCA (低侧)<=VCCB (高侧)的转换电压高达5.5V、但它们还提到为了实现正确运行、VCCA 应小于 VCCB。 因此、如果芯片可以通过在两端或不在两端提供5V 电压来使用、我们就不会感到困惑。 是否有人可以推荐任何可以满足我们目的的芯片。

此致

Narendra Singh

  • 请注意,本文内容源自机器翻译,可能存在语法或其它翻译错误,仅供参考。如需获取准确内容,请参阅链接中的英语原文或自行翻译。

    自动双向转换器不能用作缓冲器、因为它实际上不知道所需的方向。 (TXS/LSF 转换器是无源开关。 在 TXB 转换器上、两侧的输出驱动器始终处于活动状态、但很弱。)

    增加驱动强度的唯一方法是使用方向控制转换器、例如 SN74LXC1T45/SN74LXC2T45/SN74LXC8T245/SN74LVC16T245。

  • 请注意,本文内容源自机器翻译,可能存在语法或其它翻译错误,仅供参考。如需获取准确内容,请参阅链接中的英语原文或自行翻译。

    大家好、Clemens、

    我已经连接了我们系统的架构。 我们有2个相同的板。 我们需要48GPIOs 作为输入或输出(可在运行时通过某些接口在 SW 中进行配置)。 如上所述、GPIO 端接在连接器中。 2个电路板通过外部导线进行连接(主要是我们希望测试电缆的连续性)。   我们将随机 GPIO 配置为输出、并在板1中设置为高电平、通过将引脚配置为输入在板2中读取该 GPIO。 对于某些情况(如图2所示、为了检查导通性、假设 GPIO1配置为输出高电平、在电路板2上的多个 GPIO 处感测到该输出高电平(电缆可能存在内部短路、因此我们需要检查电路板2上的所有 GPIO (GPIO1、GPIO2、GPIO3等) 已通过电缆读/写为高电平逻辑连接到 Board1上的 gpios1。 在执行此操作时、当我们必须感应板2上的多个 GPIO 时、电压会下降、并且我们无法读取正确的连续性状态。 电缆中的短路数量未定义、需要在板2上正确感测到短路数量。  

    为了减少这种下降、我们只想在两者之间添加电平转换器、以增加驱动强度。 正如我说过的、任何 GPIO 都需要用作输入或输出、因此我们需要双向控制。我只是想知道电平转换器是否可以满足我们的目的(目前我们的设计中没有电平转换器、如果它能解决问题、我们还想补充)。

    此致

    Narendra Singh

     

  • 请注意,本文内容源自机器翻译,可能存在语法或其它翻译错误,仅供参考。如需获取准确内容,请参阅链接中的英语原文或自行翻译。

    您好、 Narendra。

    请注意 、双向器件不是为高驱动强度而设计的、并且不能支持预期的5mA 应用。

    因此、根据您的 GPIO 配置、建议的方向控制器件应该能够控制 预期的方向、这要归功于。

    此致、

    Michael。

  • 请注意,本文内容源自机器翻译,可能存在语法或其它翻译错误,仅供参考。如需获取准确内容,请参阅链接中的英语原文或自行翻译。

    您实际上不需要其他电压、因此可以使用普通缓冲器(例如 SN74LV125A)。 但您需要微控制器提供额外的 GPIO (每个可能的输出一个)。

    或者、对于更少的额外 GPIO、使用单个强缓冲器(例如 SN74LVC1G125)并将其路由到具有无源开关的输出之一(例如 SN74LV4051A、TMUX1208)。

  • 请注意,本文内容源自机器翻译,可能存在语法或其它翻译错误,仅供参考。如需获取准确内容,请参阅链接中的英语原文或自行翻译。

    大家好、Clemens、

    如前所述、 我们的信号本质上是双向的。我们需要具有可将连接到连接器的 GPIO 配置为输入或输出的通用板、如方框图中的上图所示。板1或板2上的任意数量的 GPIO 都可以用作需要感应的输入或输出 另一个电路板上的连续性。两个电路板上的输入或输出端口数量未定义、因为它们因要求而异。设计中的电路板应设计为常见的传感连续性、并且可能有 N 个短路或没有短路 电路板中的导线短路。 除此之外、还可以将多个电路板连接到一些并行接口总线-方框图中未显示、并且需要将任意数量的 GPIO 用作可在 SW 中配置的输入/输出。

    由于这个原因、单向缓冲器不适合我们的应用、因为对于一个连续性检查、板1上的 GPIO 可作为输入、而对于其他连续性检查要求、它可作为输出、对于所有48gpios 和任何数量的板都是如此。

    如果这种解决办法是可行的,我就有点困惑。

  • 请注意,本文内容源自机器翻译,可能存在语法或其它翻译错误,仅供参考。如需获取准确内容,请参阅链接中的英语原文或自行翻译。

    然后使用缓冲器(74xx125)。 您可以在需要输出时启用它们、并将其禁用以用于输入(您可以直接使用 MCU 输入)。

  • 请注意,本文内容源自机器翻译,可能存在语法或其它翻译错误,仅供参考。如需获取准确内容,请参阅链接中的英语原文或自行翻译。

    大家好、Clemens、

    只是想知道您是否打算使用这样的电路? 当配置为输出时、将相应的 OE (使能引脚)设置为低电平、并在需要时设置为

    配置为输入、将相应的 OE 引脚设置为高电平以直接在微控制器中进行检测?

  • 请注意,本文内容源自机器翻译,可能存在语法或其它翻译错误,仅供参考。如需获取准确内容,请参阅链接中的英语原文或自行翻译。

    您好、Michael、

    为了学术兴趣、我想知道双向器件无法驱动高电流的原因。 我将详细介绍 TXB0104的规格、其中提到绝对最大持续输出电流为50mA。

    那么、如果该芯片具有4个输出、它是否能够从4个端口总共驱动10-20mA 的电流?

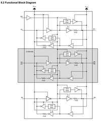
    再看一下 TXB0104的功能方框图、这是不是因为4K 内部电阻器串联到端口

    如果是、那么我是否可以知道这个50mA 绝对最大输出电流对应于什么?

  • 请注意,本文内容源自机器翻译,可能存在语法或其它翻译错误,仅供参考。如需获取准确内容,请参阅链接中的英语原文或自行翻译。

    是的、此电路会增加输出驱动强度。

    TXB 数据表中的50mA 值是绝对最大额定值、也就是说、您的电路不得尝试从引脚汲取更多电流。 但这种价值实际上无法实现。 额定驱动强度处于 VOL/VOH 的测试条件下。

  • 请注意,本文内容源自机器翻译,可能存在语法或其它翻译错误,仅供参考。如需获取准确内容,请参阅链接中的英语原文或自行翻译。

    大家好、Clemens、

    上述 SN74LV125电路非常复杂、因为我们需要额外的 GPIO 来启用每个端口。 该架构中的另一个重大缺陷是、我们无法在微控制器中直接短接端口以进行感应、因为在短接后、添加缓冲器根本没有意义、因为短接是低阻抗路径。 与感应输入不同的是、如果我们可以直接通过开关控制短路、那么它可能会起作用、这需要另一个 GPIO 来控制、电路将变得非常复杂。

    我们将继续使用双向电平转换器 TXB0108。 根据内部方框图、 输出信号为推挽式、每个端口上至少应能驱动2-3mA 电流。在我之前的帖子中、我错了、电流被4K 内部电阻限制、但事实并非如此、因为输出是推挽式。我们在每个帖子中添加了串联电阻 以限制电流并避免 GPIO 中的任何错误配置。 我理解、在绘制50mA 电流时、我们不应考虑这一点。 实际上、我们消耗的电流非常小。唯一的问题是、我找不到任何一侧 VCC 为5V 的自动方向电平转换器。 因此、我将使用3.3V。

  • 请注意,本文内容源自机器翻译,可能存在语法或其它翻译错误,仅供参考。如需获取准确内容,请参阅链接中的英语原文或自行翻译。

    单次触发电路在上升沿或下降沿仅激活几纳秒。 直流驱动强度由位于4k Ω 电阻器 kΩ 的实际输出驱动器决定。

  • 请注意,本文内容源自机器翻译,可能存在语法或其它翻译错误,仅供参考。如需获取准确内容,请参阅链接中的英语原文或自行翻译。

    大家好、Clemens、

    感谢您的建议。 我们找到了多个引脚短路时压降的根本原因。 对于配置为输入的引脚、实际上在内部启用了下拉电阻、每个端口消耗的电流约为100uA。 当输入短路数量增加时、压降会变得更高。 我们禁用了它并添加了外部1Mohm 下拉电阻器、以解决跌落问题。 因此、我们不需要添加任何外部电路。

    此致

    Narendra Singh