大家好、
关于8718 H 桥控制二极管连续流动模式,如何实现连续流动路径?希望收到您的回复,谢谢!

This thread has been locked.
If you have a related question, please click the "Ask a related question" button in the top right corner. The newly created question will be automatically linked to this question.
大家好、
关于8718 H 桥控制二极管连续流动模式,如何实现连续流动路径?希望收到您的回复,谢谢!

尊敬的 Jie:
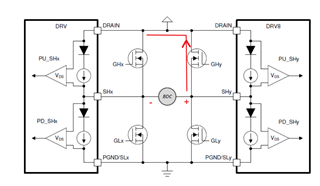
您将专门询问续流电流。 H 桥 驱动 模式具有主动续流支持、可在驱动器关闭后立即从电机电感中存储的能量中对电流进行完全再循环。 -请参阅以下数据表页面。


在 PWM H 桥模式下、如果您选择将驱动 FET 呈现为 Hi-Z 的二极管续流、则二极管再循环会将能量转储到 VM 和 VM 电源上的大容量电容器。 如果大容量电容器不足或 VM 电源调节可能未达到任务电压泵送要求、则可能对输出 FET 执行 EOS 操作。 这是使用内部或外部 FET 的 H 桥的一般行为、与使用的驱动器无关。
请参阅本 TI 高精度实验室 https://www.ti.com/video/series/precision-labs/ti-precision-labs-brushed-dc-motors.html 第2章 H 桥。
请问您的应用用例和二极管再循环有什么问题? 应用、负载、电源电压和电流驱动器要求是什么? 谢谢。
此致、Murugavel