工具与软件:
尊敬的 TI:
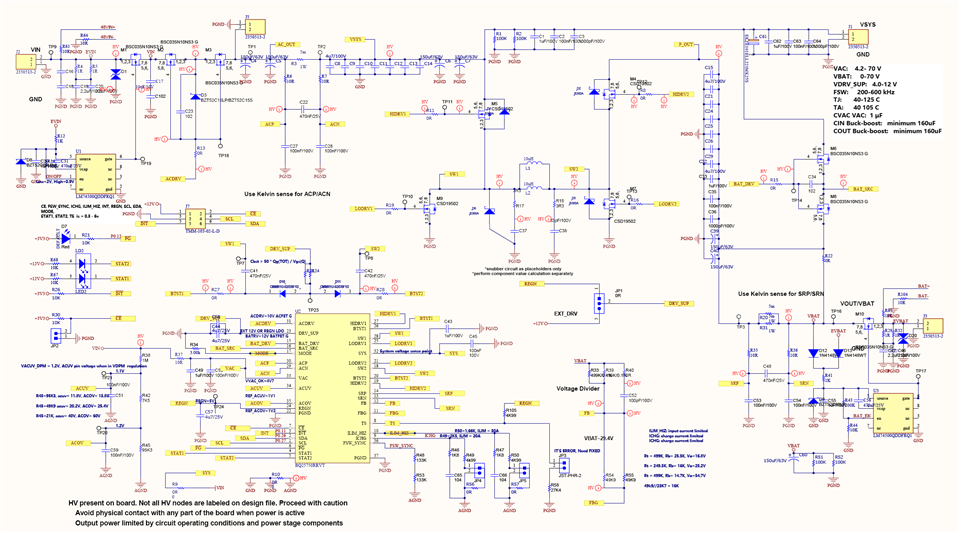
我们的团队现在使用 BQ25750设计一个新的原型、电荷1-20A 很好、但现在我们想在输入断开时使用反向降压/升压放电、但反向 电压会导致过冲和电容器烧毁、
硬件电阻器设置"ACUV"= 16-18V、"ACOV"= 25.2-26V。
写入寄存器的过程如下:
1.写入 REG0x15、禁用"看门狗"位
2. 将 REG0x1C 设置 VSYS_REV 电压写入 20V (0x3E8)
3. 将 REG0x19设置 EN_AUTO_REV 写入"1b =启用自动反向"
然后、我们关闭输入电压、反向电压过冲超过40V、 EN_REV 从1更改为 0、 REG0x23"BATFET_STAT"更 改为1、并停止降压/升压、电源路径放电开始
但现在我们需要降压升压放电,它是在设置不正确的地方!
已上传 

