工具与软件:
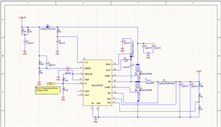
我发现了一个有关 BQ24650充电控制器的奇怪问题。 我的系统使用带 BMS 的3.6V 4S LiFePO4 (14.4V)电池包、当电池电量过低时、BMS 会自动断开电池包与充电器的连接。 但是、当通过太阳能电池板提供的输入电压缓慢上升并达到>= MPPSET 电压时、充电器不会开启、也不会尝试为电池充电。 我测量了电池连接端子的电压、但没有看到任何电压、还检查了 HIDRV 和 LODRV 引脚、未观察到开关波形。 由于 BMS 在关闭时需要一些电压才能打开、因此它将保持断开状态。
但是、当输入电压快速上升或在没有上升延时时间的情况下连接电源时、充电器会巧妙地工作、而不会出现任何问题。 这种问题可能是什么情况? 是否有解决方法?是否需要对组件进行更改?是否需要一些其他组件来缓解问题? 请尽快告诉我。
我附上了原理图供您参考。 