This thread has been locked.

If you have a related question, please click the "Ask a related question" button in the top right corner. The newly created question will be automatically linked to this question.

[参考译文] BQ25303J:请验证原理图

Guru**** 2504615 points
Other Parts Discussed in Thread: BQ25303J

请注意,本文内容源自机器翻译,可能存在语法或其它翻译错误,仅供参考。如需获取准确内容,请参阅链接中的英语原文或自行翻译。

https://e2e.ti.com/support/power-management-group/power-management/f/power-management-forum/1109769/bq25303j-please-verify-the-schematics

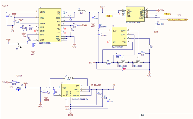
器件型号:BQ25303J

尊敬的团队:

我将 BQ25303J 和 BQ29700用作3、7 V 锂聚合物电池应用的充电器和保护解决方案。

我的应用规格如下:3.7V 锂聚合物电池用于为负载供电。 负载可灌入高达2A 的电流。 电池将充电~ 2A 电流。  

我还使用 Maxim Integrated (MAX17262)的电量监测计。 数据表。  

请验证我的原理图。 尤其是从 PMID 到 VSYS 的电源路径。 VSYS 连接到负载(直流/直流升压转换器- MIC2877)。

我将 SSM3J378R 用作电源路径应用的晶体管。  

原理图是否正确?

2.在应用中连接电源路径的最佳可能方法是什么。 电量监测计之前或之后? 从数据表的第1页可以看到、电量监测计包含一个集成感应电阻或系统通电。 这就是为什么在燃油表之后添加瞬变、以便在充电周期内获得正确的 SOC 值的原因。 这种方法是否正确?  

3.您能验证晶体管选择吗?

4.我需要2A 的过流放电保护。 为此、我选择了 CSD16406 MOSFET 并添加了50m Ω 的串联电阻、以满足要求。 100mV/2A = 0.050 Ω。 这种方法是否合适?

感谢你能抽出时间。

此致、

Adarsh

  • 请注意,本文内容源自机器翻译,可能存在语法或其它翻译错误,仅供参考。如需获取准确内容,请参阅链接中的英语原文或自行翻译。

    更新:

    在上面附加的原理图中、从 V_USB 到晶体管栅极没有二极管。 这是一个错误。 现已添加。 如下所示。

  • 请注意,本文内容源自机器翻译,可能存在语法或其它翻译错误,仅供参考。如需获取准确内容,请参阅链接中的英语原文或自行翻译。

    您好!

      BQ25303J 在 VBUS 和 PMID 之间的内部 FET 上感测到3.35输入电流限值。 该 FET 将感测为电池充电所需的输入电流+ PMID 所需的直流负载。 根据您的系统要求、您似乎会超过此限制、这将导致充电器拉回充电电流。 这是否可以为您所接受? 在开始设计之前、我建议您获取 EVM 并使用2A 负载和5V USB 输入的高电池电压进行测试。 原理图的充电器部分看起来不错。

    对于监测计/保护器应用、请创建器件型号为 BQ29700的新帖子、以便监测计/保护器团队可以回答您的问题。

  • 请注意,本文内容源自机器翻译,可能存在语法或其它翻译错误,仅供参考。如需获取准确内容,请参阅链接中的英语原文或自行翻译。

    谢谢 Kedar。  

    然后、我将首先使用 EVM 对其进行测试。 您是否也有时间查看从 PMID 到 VSYS 的电源路径? 还有晶体管选择?

    谢谢你。

  • 请注意,本文内容源自机器翻译,可能存在语法或其它翻译错误,仅供参考。如需获取准确内容,请参阅链接中的英语原文或自行翻译。

    您好!

      您可以参阅 BQ25202J 数据表中具有外部电源路径的第10.2.2节"典型应用"。 它显示了如何通过 VBUS 或 VBAT 为外部 SYS 供电。 PFET 位于 VBAT 和 VPMID 之间。

  • 请注意,本文内容源自机器翻译,可能存在语法或其它翻译错误,仅供参考。如需获取准确内容,请参阅链接中的英语原文或自行翻译。

    您好!

      您可以参阅 BQ25303J 数据表中具有外部电源路径的第10.2.2节"典型应用"。 它显示了如何通过 VBUS 或 VBAT 为外部 SYS 供电。 PFET 位于 VBAT 和 VPMID 之间。