工程师好、
我的客户使用 LMR23630AF 来实现反相电路。
电源有两个条件、一个是电池、一个是适配器。
现在、它们在补偿调优方面存在一些问题、无法在两种情况下满足要求、而没有可闻噪声。
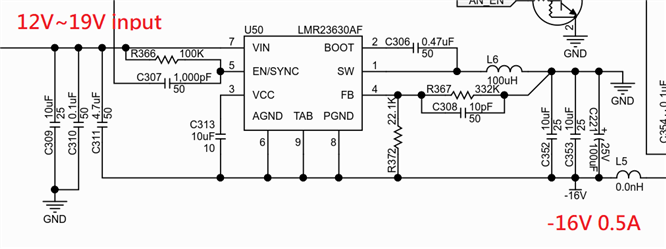
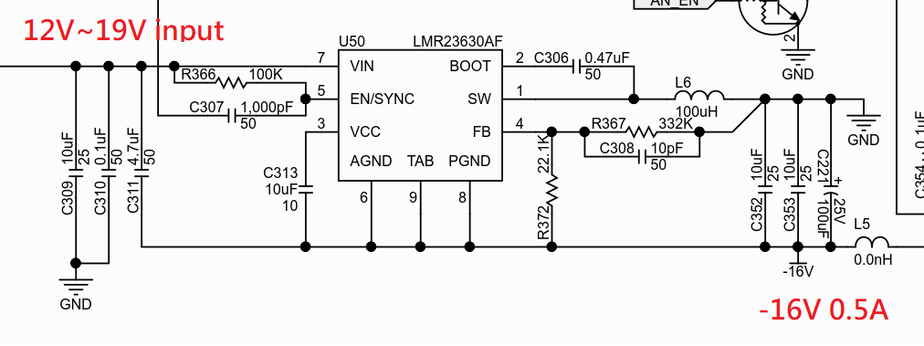
电路如下所示、它们使用功率级工具设计 III 类补偿。
电池电源->输入:DC12.8~14.8V 输出:-16V/0.5A (出现可闻噪声)
适配器-->输入:DC19V 输出:-16V/0.5A (无可闻噪声)
Q1 在适配器模式下、他们更改了 CFF (C308)以解决电感器噪声问题、但它在电池模式下无法正常工作、您是否有任何微调建议?
Q2 LMR23630AF 是固定频率版本、如果我们使用外部时钟、SYNC 引脚是否具有最高优先级?
启动波形是什么样的? 它是否会导致谐波可闻噪声?
问题3 您能否为 LMR23630AF 提供反相 Excel 计算工具?
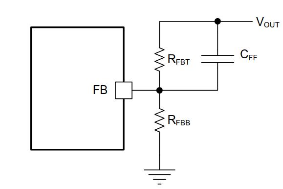
Q4 我们应该对 LMR23630AF 使用哪种类型的补偿? III 类是正确的吗?
Q5如果以上答案是肯定的、那么 LMR23630内部的 Rcomp 和 Ccomp 是什么?


