请注意,本文内容源自机器翻译,可能存在语法或其它翻译错误,仅供参考。如需获取准确内容,请参阅链接中的英语原文或自行翻译。
器件型号:LM25117 您好!
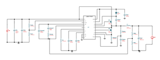
我将 lm25117降压控制器 IC 用于我的项目。 我需要16V 4a 输出来维持工程、但当我连接负载时、输出电压继续下降12-13V。

我使用了这张原理图、使用了相同的高侧 MOSFET、并用作低侧 MOSFET 这里的"PJD45N06A-AU"。
This thread has been locked.
If you have a related question, please click the "Ask a related question" button in the top right corner. The newly created question will be automatically linked to this question.