主题中讨论的其他器件:BQ25756, EV2400
我们已将 BQ7695202和支持的 BQ25756充电 IC 集成到电路板中、从而能够连接到4组串联12V LiFePo4电池。 我们已与充电 IC 建立通信、没有问题、但无法从同一 I2C 总线上的 BQ7695202获得响应。 我们仔细研究了 SDA 和 SCL 线路、并确认在芯片上接收到信号、还确认在 BAT 芯片上提供了电压、所以芯片应该处于打开状态。 在使用 I2C 地址扫描工具查看该芯片之前、是否必须将初始配置/命令发送到该芯片?
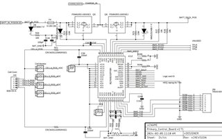
下面是此部分的电路板原理图、BATT_IN_POS 连接到电池组、CHARGE_IN 来自充电器、BATT_PACK_POS 连接到负载、全都为48V。 SDA 和 SCL 均由上拉电阻器上拉至高电平。

