This thread has been locked.

If you have a related question, please click the "Ask a related question" button in the top right corner. The newly created question will be automatically linked to this question.

[参考译文] BQ25713:正向模式期间 VINDPM 中的 bq25713

Guru**** 2503995 points
Other Parts Discussed in Thread: BQ25713, BQSTUDIO

请注意,本文内容源自机器翻译,可能存在语法或其它翻译错误,仅供参考。如需获取准确内容,请参阅链接中的英语原文或自行翻译。

https://e2e.ti.com/support/power-management-group/power-management/f/power-management-forum/1202464/bq25713-bq25713-in-vindpm-during-forward-mode

器件型号:BQ25713
主题中讨论的其他器件: BQSTUDIO

您好

客户拥有一个项目中使用的 TI BQ25713充电器。 在实际调试期间、可以发现充电器将进入"在正向模式下处于 VINDPM"。 详细信息如下。有3个电池串。 该适配器是20V、3.25A、65W Type-C 适配器。 当 AC+DC 时、充电器部分设置为 ChargeOption0 = 0x670E ChargeCurrent = 0x0500 (1280mA) MaxChargeVoltage = 0x3320 (13.088mV) MinSystemVoltage = 0x2400 (9216mV) InputVoltage = 0x36C0 (14016mV) IIN_host = 0x4200 (3300mA)系统空闲、仅为电池充电。 当电池容量达到80%时、通过设置 ChargeOption0的"CHRG_INHIBIN"来关闭充电。 此时、读取"ChargerStatus"寄存器并找到位4为1。 即、充电器已进入 VINDPM 模式。 通过记录电池的信息、我发现充电器会自动开始充电、充电电流高于设置的1.28A、充电器会充电一段时间、然后关闭一段时间、这个循环持续了大约30分钟。 如下图所示

符号=表示充电器已设置为停止充电、但电流数据仍然存在、并且由于充电器开启、电池电压也会增加。 PS、100%表示电池容量为100、此时实际电池容量为80%、但报告为100%、充电停止。 系统完全空闲、仅处于充电状态、交流电源始终接通、VINDPM 设置为14V、充电器为什么在正向模式下进入"VINDPM "、检查 BQ25713的规格、找不到有用的信息。 要纠正该错误、chargerstatus 寄存器的位3为1。 即、它已进入"IINDMP "模式、添加一些信息 BQ25713 "ChargeSts"寄存器值为0x8800。 充电电流已经设置为0、居住的充电也是1。 但通过查看电池的信息、可以将其打开直至充电器打开大约4秒、关闭4秒、最大充电电流接近4A。

  • 请注意,本文内容源自机器翻译,可能存在语法或其它翻译错误,仅供参考。如需获取准确内容,请参阅链接中的英语原文或自行翻译。

    大家好、Gareth:

    充电器具有两个输出:一个是系统电压轨、另一个是电池电压轨。 在正向模式下、可以运行至 VINDPM。 我建议您隔离输出并监控每个输出电压和电流。  您还可以使用 BQStudio 读取所有寄存器信息。  

    此致、

  • 请注意,本文内容源自机器翻译,可能存在语法或其它翻译错误,仅供参考。如需获取准确内容,请参阅链接中的英语原文或自行翻译。

    你好, 

    感谢您的答复。

    1.充电时正常。 但当充电器的充电关闭时、它将报告 IINDPM。 客户读取充电器的一部分寄存器、并确认 CHARGE_INHIT 为1、充电电流为0。 充电器状态寄存器的值是"0x8800"很奇怪、在这种模式下、根据电池的瞬时电流可以看出充电器经常开关充电、充电电流高达3A 甚至更多。 这种行为是否符合预期? 除了增大输入电流限值之外、是否有其他方法可以避免进入该模式? 此外:如果您尝试关闭峰值功率模式、充电器将报告"ACOC"。 客户的硬件 ILIMIT 为3A、软件 ILIMIT1为3.4A。 当硬件 ILIMIT 关闭时、这种现象仍然存在。

    2.I 查看了规格、但没有找到 IINDPM 的详细说明。 这指的是什么? 如何触发和进入该模式?

  • 请注意,本文内容源自机器翻译,可能存在语法或其它翻译错误,仅供参考。如需获取准确内容,请参阅链接中的英语原文或自行翻译。

    大家好、Gareth:

    "你是我的女人,我是你的女人。" 他明天会回来的。

    此致、
    E·加洛韦

  • 请注意,本文内容源自机器翻译,可能存在语法或其它翻译错误,仅供参考。如需获取准确内容,请参阅链接中的英语原文或自行翻译。

    大家好、Gareth:

    对于输入电流动态电源管理、请在时间刻度7:30观看我们的培训视频。  

    https://www.ti.com/video/series/battery-management-deep-dive-on-demand-technical-training.html

    您能提供寄存器转储供我们查看吗? 还有原理图?

    此致、

  • 请注意,本文内容源自机器翻译,可能存在语法或其它翻译错误,仅供参考。如需获取准确内容,请参阅链接中的英语原文或自行翻译。

    你好,虎

    该寄存器的值如下

    我通过 IIC 读取上述寄存器以确认写入成功。

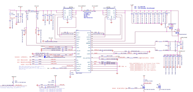
    原理图如下所示

    由于本项目默认使用3串电池、上图中的 CELL_BATPRES 电压被修改为3.85V 即3节电池。 谢谢。

  • 请注意,本文内容源自机器翻译,可能存在语法或其它翻译错误,仅供参考。如需获取准确内容,请参阅链接中的英语原文或自行翻译。

    大家好、Gareth:

    以下观察结果:  

    1.将输入电压设置为0x00、从而有效地禁用 VINDPM。

    2.禁用看门狗计时器进行调试。

    3.移除 C316输入电容器。 Rac 后的输入电容为10nF+1nF。  

    尝试查看是否有任何改进。  

    此致、