请注意,本文内容源自机器翻译,可能存在语法或其它翻译错误,仅供参考。如需获取准确内容,请参阅链接中的英语原文或自行翻译。
器件型号:TPS53355 您好!
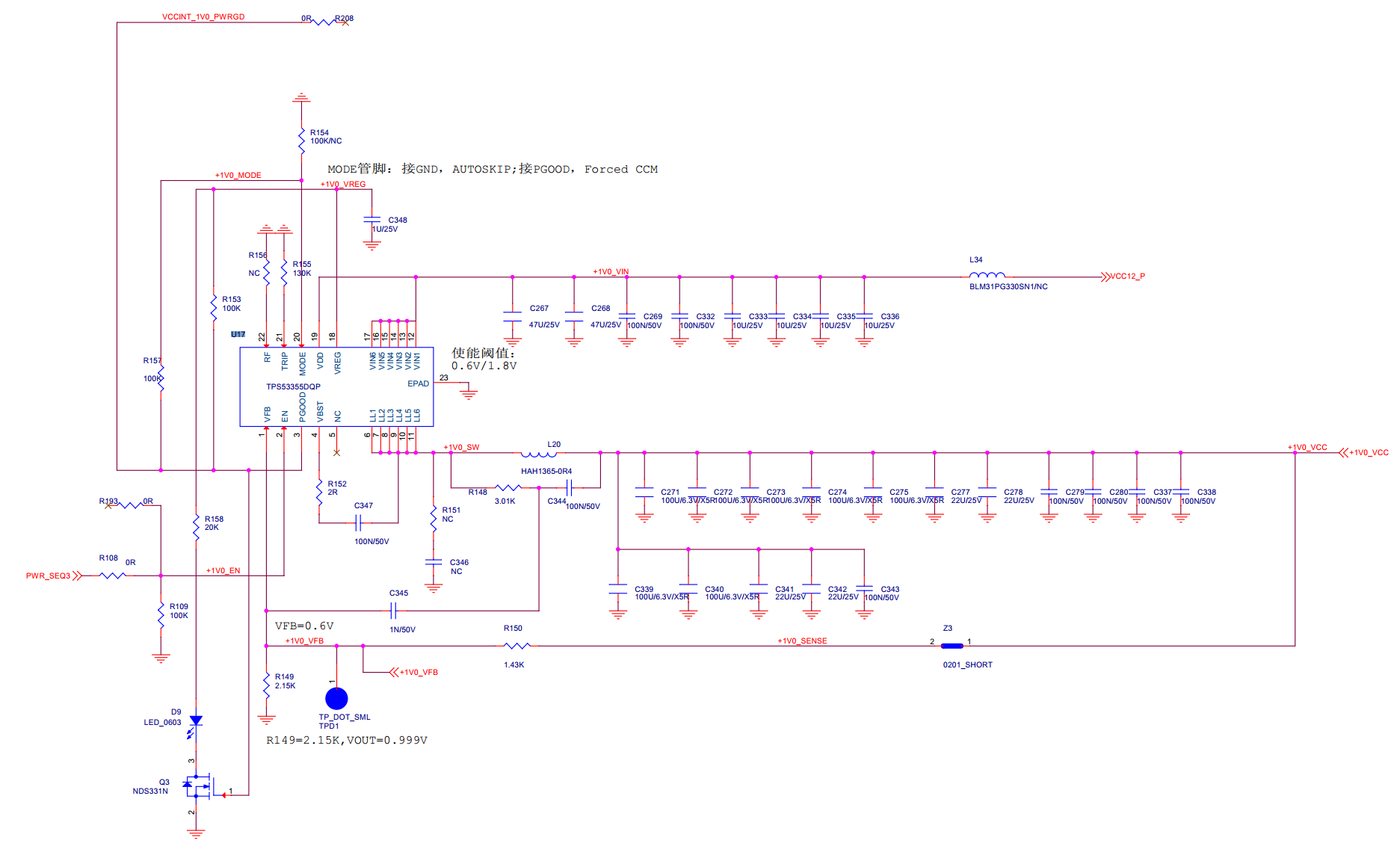
TPS53355无法启动、我检查了 VREG、它的电压为0V。输入为12V、输出为1V。 我的原理图如下:

请帮我!
唐纳德·伍
This thread has been locked.
If you have a related question, please click the "Ask a related question" button in the top right corner. The newly created question will be automatically linked to this question.
Donald、您好、
所施加的负载是多少? EN 电压是多少? 是否尝试用全新的 IC 替换? 它可能已被意外损坏。
我建议遵循数据表中的应用设计、因为您的条件非常相似。 您还可以在 Excel 设计工具中输入设计、以确保您的设计稳定。 我附上以下链接。
Excel 设计工具: https://www.ti.com/tool/download/SLURAZ7
请告诉我这是否有帮助。
谢谢。
卡兰