This thread has been locked.

If you have a related question, please click the "Ask a related question" button in the top right corner. The newly created question will be automatically linked to this question.

[参考译文] BQ76952:当其他电芯平衡时、VC16电压变为低电平

Guru**** 2461340 points
Other Parts Discussed in Thread: BQ76952

请注意,本文内容源自机器翻译,可能存在语法或其它翻译错误,仅供参考。如需获取准确内容,请参阅链接中的英语原文或自行翻译。

https://e2e.ti.com/support/power-management-group/power-management/f/power-management-forum/1373317/bq76952-vc16-voltage-become-low-when-other-cells-are-balancing

器件型号:BQ76952

工具与软件:

先生、

   电池16  不平衡, 一些 电池 从1到15 正在平衡, 但 VC16电压变低 。

文件< > 是 测试数据。

  

e2e.ti.com/.../cell16--voltage--go-down.xlsx

  • 请注意,本文内容源自机器翻译,可能存在语法或其它翻译错误,仅供参考。如需获取准确内容,请参阅链接中的英语原文或自行翻译。

    您好!

    看起来问题在于原理图上的电阻器 R37。 建议 R37为20Ω。 有关更多信息、请参阅一节  2.5平衡期间的电压测量精度  此小节  顶部电池输入电阻器上的 IR 压降 在 使用 BQ769x2电池监控器进行电池平衡中(修订版 A)

    请告诉我这是否对问题有所帮助。

    此致、

    Thomas Rainey

  • 请注意,本文内容源自机器翻译,可能存在语法或其它翻译错误,仅供参考。如需获取准确内容,请参阅链接中的英语原文或自行翻译。

    液箱

  • 请注意,本文内容源自机器翻译,可能存在语法或其它翻译错误,仅供参考。如需获取准确内容,请参阅链接中的英语原文或自行翻译。

    Thomas Rainey、ñ o.

        还有 另一 个问题。  cell1至 cell16 不平衡。   不会对任何 电芯  进行平衡。        万用表测得的 Cell16电压为3300mV。

    但 Vc16 电压 为 2800mv 、由 Bq76952读取。   此 问题   偶尔发生。

      我 认为 有 以下的东西。

       3300-2800 = 500mV;

       500mV/R37 = 5mA。 (__LW_AT__R37 是 100Ω

       在   BQ76952中有不止5mA 的地方 ?   

  • 请注意,本文内容源自机器翻译,可能存在语法或其它翻译错误,仅供参考。如需获取准确内容,请参阅链接中的英语原文或自行翻译。

    Thomas Rainey、ñ o.

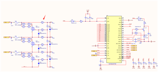
       到  新的 问题 cell16电压下降异常,我 添加一些图片:

       

  • 请注意,本文内容源自机器翻译,可能存在语法或其它翻译错误,仅供参考。如需获取准确内容,请参阅链接中的英语原文或自行翻译。

    您好、Jian:

    当查看图片时、可能是 VC16连接不良。

    您能否检查该引脚处的连接?

    此致、

    Thomas Rainey