This thread has been locked.

If you have a related question, please click the "Ask a related question" button in the top right corner. The newly created question will be automatically linked to this question.

[参考译文] TIDA-010009:J1上的2kV 浪涌

Guru**** 2507405 points
Other Parts Discussed in Thread: TIDA-010009

请注意,本文内容源自机器翻译,可能存在语法或其它翻译错误,仅供参考。如需获取准确内容,请参阅链接中的英语原文或自行翻译。

https://e2e.ti.com/support/tools/simulation-hardware-system-design-tools-group/sim-hw-system-design/f/simulation-hardware-system-design-tools-forum/830678/tida-010009-2kv-surge-on-j1

器件型号:TIDA-010009

我的客户有以下问题:

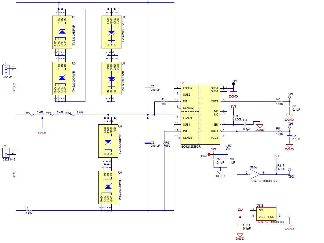
可承受高达2kV 浪涌的串联电阻器 Rth (根据与 TVS 相关的数据表):
我是否正确地假设原理图中的 TIDA-010009_IO-Power + Protection _BIDIRE2电阻器 R3、R73和 R74会通过2kV 浪涌?
每个电阻器的电压为500V 时、只需从 Vishay 数据表中获取100W 功率即可。

您能确认 J1是否能够承受2kV 浪涌线路电压?

谢谢!e2e.ti.com/.../TIDA_2D00_010008_5F00_IO_2D00_Power_2B00_ProtectionE2_2800_001_29005F00_Sch.PDF

  • 请注意,本文内容源自机器翻译,可能存在语法或其它翻译错误,仅供参考。如需获取准确内容,请参阅链接中的英语原文或自行翻译。

    Marc、您的问题已提交给我们在德国弗莱辛的工业电机驱动团队。  他们将在接下来的1-2个工作日(8月19日)内为您提供回复。  

    此致、

    John Fullilove

    参考设计操作

    应用工程师

  • 请注意,本文内容源自机器翻译,可能存在语法或其它翻译错误,仅供参考。如需获取准确内容,请参阅链接中的英语原文或自行翻译。

    您好 Marc、  

    这些是可承受1.2/50us 脉冲的特殊类型电阻器。

    它还取决于浪涌阻抗。

    浪涌阻抗为42R 时、可在高达2kV 的电压下测试 J1。

    此设计假设按照标准进行测试。 如果应用需要更高的瞬态或连续瞬态、则可能需要进一步降低电阻器的额定值。

    谢谢

    Sreenivasa