This thread has been locked.

If you have a related question, please click the "Ask a related question" button in the top right corner. The newly created question will be automatically linked to this question.

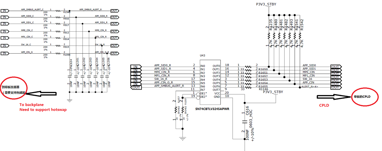
[参考译文] SN74CBTLV3245A:A 侧热插拔、B 侧上拉

Guru**** 2511415 points
Other Parts Discussed in Thread: SN74CBTLV3245A

请注意,本文内容源自机器翻译,可能存在语法或其它翻译错误,仅供参考。如需获取准确内容,请参阅链接中的英语原文或自行翻译。

https://e2e.ti.com/support/switches-multiplexers-group/switches-multiplexers/f/switches-multiplexers-forum/711820/sn74cbtlv3245a-hotswap-at-a-side-and-pull-up-at-b-side

器件型号:SN74CBTLV3245A

您好!

我对 SN74CBTLV3245A 有一个问题。

以下连接是否适用于 SN74CBTLV3245A? A 侧热插拔至背板、B 侧上拉?

谢谢。

Johnny

  • 请注意,本文内容源自机器翻译,可能存在语法或其它翻译错误,仅供参考。如需获取准确内容,请参阅链接中的英语原文或自行翻译。

    Johnny、

    当 Vcc = 0V 时、SN74CBTLV3245A 已指定高阻态隔离。  因此、3.6V 上拉电阻在 Vcc 有效前不会传递到另一侧

    此外  、无论 Vcc 如何、I/O 引脚上的绝对最大值都可以高达4.6V、而不会损坏器件。

    谢谢、

    Adam

  • 请注意,本文内容源自机器翻译,可能存在语法或其它翻译错误,仅供参考。如需获取准确内容,请参阅链接中的英语原文或自行翻译。
    谢谢 Adam。