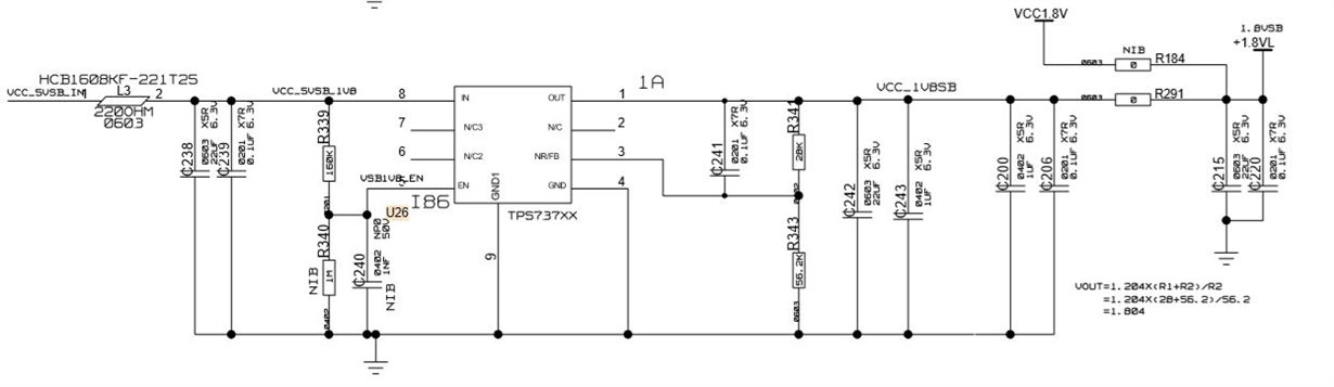
TPS73701原理图如下。在测试相位及复制裕度时有拿掉C241。当输出负载未0A 及0.25A时,相位裕度小于30°,负载为0.5A时,相位裕度可以大于30°;怎样可以提升轻载时的相位裕度,使大于30°。
下图是0A负载时的波特图:
下图是0.25A负载时的波特图:
This thread has been locked.
If you have a related question, please click the "Ask a related question" button in the top right corner. The newly created question will be automatically linked to this question.
TPS73701原理图如下。在测试相位及复制裕度时有拿掉C241。当输出负载未0A 及0.25A时,相位裕度小于30°,负载为0.5A时,相位裕度可以大于30°;怎样可以提升轻载时的相位裕度,使大于30°。
下图是0A负载时的波特图:
下图是0.25A负载时的波特图:
HI Johnsin,
非常感谢您的回复。
请教下,LDO环路若测试不过,是否会影响整个模块的稳定性呀?