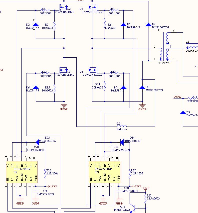
在测试时,开关频率50kHz,开环控制,死区时间定为500ns,在切换占空比的过程中,经常出现驱动芯片(UCC27714DR)烧坏的情况,有时会有桥臂上MOS管烧坏短路情况,请问这个是什么原因导致的?(控制芯片用的TI的UCC28950)
This thread has been locked.
If you have a related question, please click the "Ask a related question" button in the top right corner. The newly created question will be automatically linked to this question.
在测试时,开关频率50kHz,开环控制,死区时间定为500ns,在切换占空比的过程中,经常出现驱动芯片(UCC27714DR)烧坏的情况,有时会有桥臂上MOS管烧坏短路情况,请问这个是什么原因导致的?(控制芯片用的TI的UCC28950)