This thread has been locked.

If you have a related question, please click the "Ask a related question" button in the top right corner. The newly created question will be automatically linked to this question.

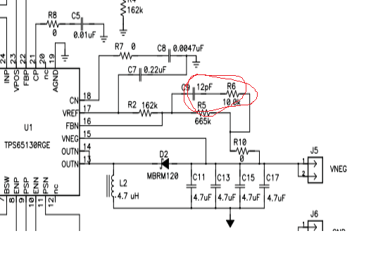
TPS65130: -15V输出异常且webench无此器件无法仿真

Part Number: TPS65130
  1. 依据手册计算反馈环路等器件参数,5V输入,+15V/0.2A正常,-15V输出跳动-14~24V,但反馈电阻阻值计算合理。通过其他论坛查找,在C10串联51k电阻变好,请问是什么原因。
  2. 如何通过WEBENCH仿真该器件。