This thread has been locked.

If you have a related question, please click the "Ask a related question" button in the top right corner. The newly created question will be automatically linked to this question.

INA210 输出总是3.3V问题

Other Parts Discussed in Thread: INA210

Hi,

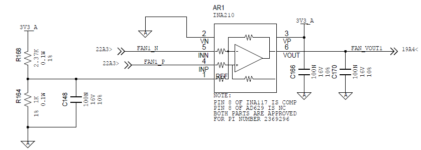
I use INA210, pls refer to attached file.

the current is 0~0.5A. 

INA210 gain is 200. hunt resister is 0.02ohm.

so 0.02*0.5=10mV

10mv*200=2V

Vref is 1V

the max Vout is 1+2=3V.

if there is no current, the Vout should be Vref =1V, but it is 3.3V.

I tested the current from 0 ~0.5A, the Vout always fixed at 3.3V.

I don't know the reason.

pls help me to  slove this issue.

Thanks & regards.

Li Guowang

13011010317

(company is in BeiJing)