Other Parts Discussed in Thread: OPA2277
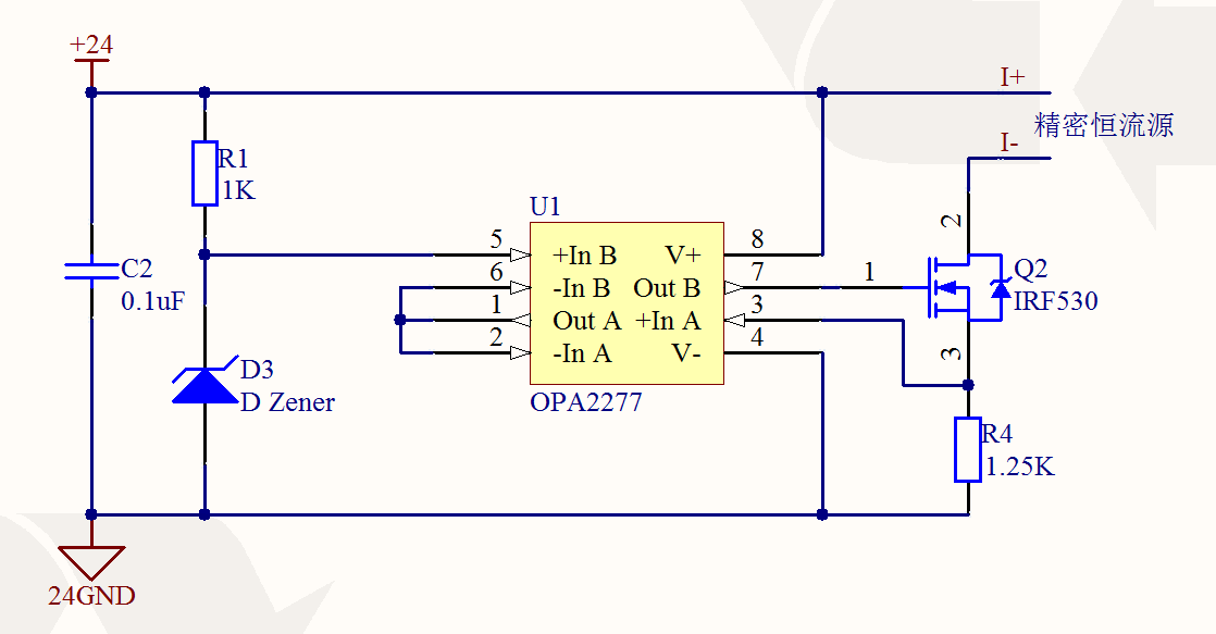
有个同事,用OP2277做了个恒流源运放,但我看不懂,请教下。
This thread has been locked.
If you have a related question, please click the "Ask a related question" button in the top right corner. The newly created question will be automatically linked to this question.
可以单电源供电,只是单电源供电有一定的局限性,比如OPA2277不是轨至轨输入输出,所以在低压附近输入输出都有影响,所以如果有条件,还是建议双电源供电。