This thread has been locked.

If you have a related question, please click the "Ask a related question" button in the top right corner. The newly created question will be automatically linked to this question.

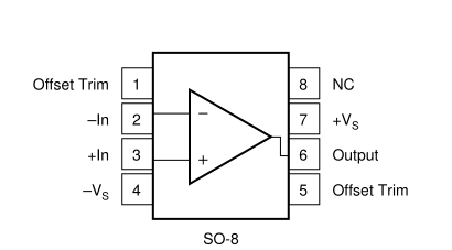
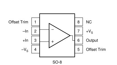
运放中的这个引脚是什么意思啊?

Other Parts Discussed in Thread: OPA227

如图所示,引脚1和5是什么意思啊?就是说offset trim这个引脚的作用是什么啊/