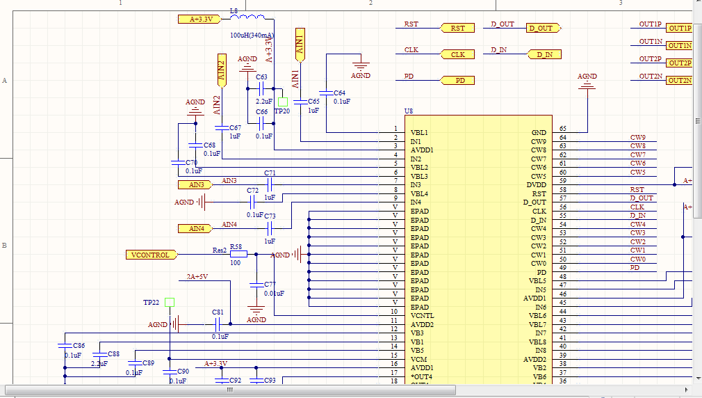
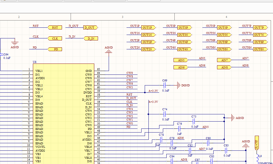
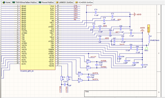
各位大神,前面我问了一两次了,关于VCA8500芯片的情况是这样的。
我现在加入了一个50kHz的信号(如下图紫色),输出上(如下图红色)叠加的噪声很大,而且很明显可以看出输入波形也在电路工作后被轻微破坏了。
而且,当我给这个通道不加入信号时,输入引脚悬空,此时输出仍然有波形,如图红色波形,且频率在3MHz左右。
所以我怀疑第一幅图输出上的高频噪声干扰信号是不是这个叠加上去的,于是给输出加了一个700kHz的低通滤波器,结果如下图(紫色为输入,红色为输出)
可以看出,虽然高频噪声干扰被滤掉了,但是波形明显还是被破坏(频谱上看二次谐波大概在-27dB左右,很明显远大于手册中说的-70dB),不知道是为什么。
而且按道理来讲,根本不应该加这个低通滤波器的,不知道那个高频3MHz左右的干扰是哪来的。
还有一点,芯片工作起来会稍微有些烫手,这正常吗?我觉得电路应该没有接错,不知道温度略高是不是正常的。急求求哪位大神能指点一二,不胜感激!!!


