This thread has been locked.

If you have a related question, please click the "Ask a related question" button in the top right corner. The newly created question will be automatically linked to this question.

关于VCA821的两输入端电阻的问题

Other Parts Discussed in Thread: VCA821

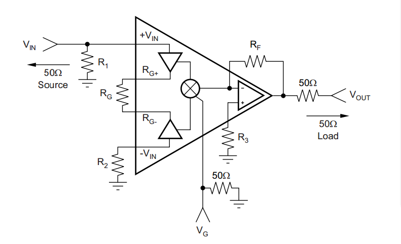
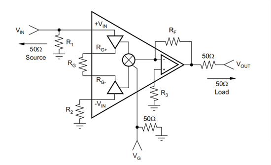
VCA821有两个输入端。(1)在官方数据手册给的电路中,反馈电阻并未接入输入端,那么在计算与反馈有关的量的时候还能像普通的反馈一样吗?。(2)在官方数据手册给的电路中,两个输入端的分别并联一个电阻,现在只知道两输入端对地电阻相等,根据最大放大倍数能确定Rg和Rf,但是这样并不能确定两个阻值的大小?请问这两个电阻阻值选取的依据是什么?谢谢。