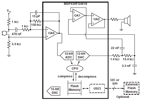
DAC输出正弦波信号,经过两级OA后没有信号输出
void Oa_Init(void) { OA0CTL0|=OAN_0+OAP_1+OAADC0; //P6.0为OA0I0接负输入端,P6.2为OA0I1接正输入端,输出到A12 OA0CTL1|=OAFC_0; //通用放大器模式,轨对轨输出 OA1CTL0|=OAN_1+OAP_0; //P6.4为OA1I0接正输入端,P5.0为OA1I1接负输入端,输出到OA2正输入端 OA1CTL1|=OAFC_7; //多级放大器模式,轨对轨输出 //OA1CTL1|=OAFBR_7+OAFC_4; //OA1CTL1|=OAFC_0; OA2CTL0|=OAP_0; //P6.6为OA2I0接正输入端,负输入端不关心 OA2CTL1|=OAFBR_7+OAFC_4; //15倍增益,非反向输入PGA模式,轨对轨输出 }