三级电路,一级拾音,一级放大,一级滤波,三块电路分开时都能正常工作。
拾音和放大串联也能正常工作,放大电路有输出,如下
将拾音电路,放大电路,滤波电路串联,拾音电路输出比不加滤波器时衰减一半,放大电路,滤波电路均无明显输出,分别如下
这可能是什么原因造成的,是因为阻抗不匹配吗,如果是,该怎么去做阻抗匹配呢,
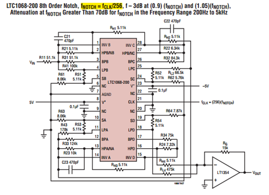
同时,我想在电路中加上50Hz工频陷波器,用开关电容滤波器,如下
但是,加上去之后还是有很大问题,横轴打成200ms时出现非常厚重的波,不知道哪来的
横轴打成20ms时,波形如下,动一下拾音电路部分仅有零星毛刺
以上问题,求给出解决意见







