This thread has been locked.

If you have a related question, please click the "Ask a related question" button in the top right corner. The newly created question will be automatically linked to this question.

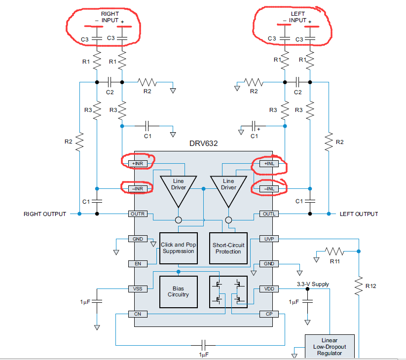
DRV632差分信号输入问题



问题:为什么左声道的差分信号输入是差分信号的负端接运放的同相输入,差分信号的正端接运放的反相输入,与此同时,右声道的接法又和左声道的相反。

这表示的是两种接法还是在一个电路图里就应该这样使用?