我在使用两个ADS1158设计压力采集电路时,使用ADS1158手册中5V单电源、OP365组成RAIL TO RAIL放大电路的参考设计。 当我把放大倍数提高到1000倍时,输入直流差分电压 1.70V和1.67V(差分电压30MV),放大电路输出电压端出现大概周期400ns的振荡信号。甚至影响到输入端直流信号也出现锯齿波。请问是什么原因?
This thread has been locked.
If you have a related question, please click the "Ask a related question" button in the top right corner. The newly created question will be automatically linked to this question.
OPA365输入直流差为30mV,放大1000倍?这样的话输出远超过供电电压导致输出饱和。
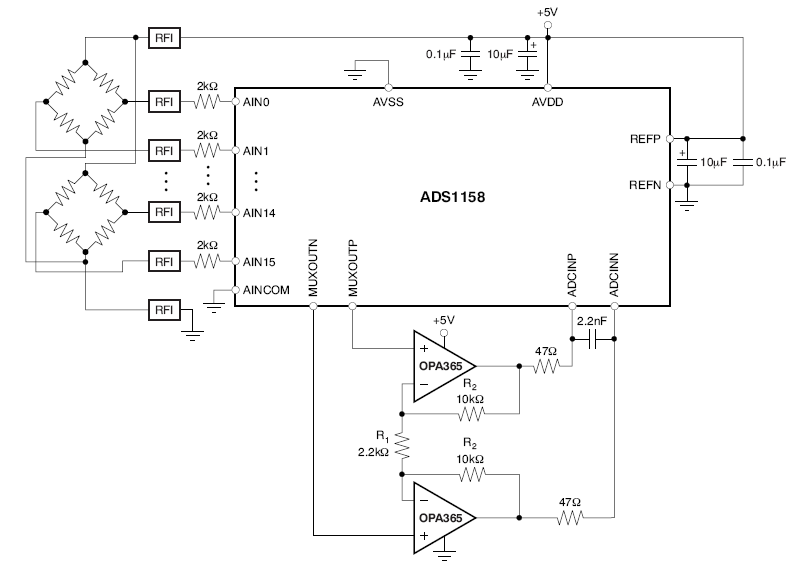
有电路图吗?
对不起,笔误。输入为1.700V 和1.703(电压差3mv),放大1000倍。输出发生振荡。
R2负反馈电阻两端,如果有任何纹波都会被循环放大。 我在R2上并了一个1000PF电容,把交流纹波的循环打断了。这样直流放大功能一切正常。请问这样理解是否正确?