This thread has been locked.

If you have a related question, please click the "Ask a related question" button in the top right corner. The newly created question will be automatically linked to this question.

关于INA332不能正常工作的问题

Other Parts Discussed in Thread: INA332

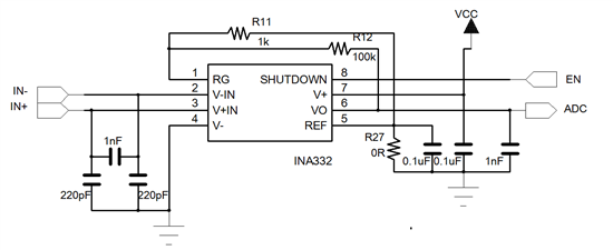
在电路中,使用单电源3.3V供电,当输入电压为3mv时,输出只有1.06V左右,这样算来Gain只有三百多,而我实际设置的理论值应该是505,请指教这电路图到底错在哪了,一直没有查出来问题,谢谢!

  • INA332的offset voltage可以到2mV,已经和输入信号的大小很接近,这是导致问题的原因

  • 感谢您的回复,请原谅我才疏学浅。

    现在同一个电路,VIN+=1.5365V,VIN-=1.5350V,放大倍数为5+5*(120k/1k)=605,此时输出却是1.501V,这也是因为offset voltage的原因吗?其原因是虽然现在每一端的电压提高,但是差分电压还是和输入失调电压相差不多,导致不能工作在期望的状态吗?如果是因为这个原因的话对于我现在差分电压只有几mv的放大我有什么挽救的办法吗?