Other Parts Discussed in Thread: LMH6552
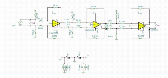
这是用LMH6552实现的三级放大功能,仿真没问题,但是实物出来之后就不出效果,请问是我电路设计有问题还是布局的问题???
This thread has been locked.
If you have a related question, please click the "Ask a related question" button in the top right corner. The newly created question will be automatically linked to this question.
Other Parts Discussed in Thread: LMH6552
这是用LMH6552实现的三级放大功能,仿真没问题,但是实物出来之后就不出效果,请问是我电路设计有问题还是布局的问题???
电路没有问题,layout是不是电阻位置不对,拿第一级来说, R2/R1=R9/R18=350/60。 在layout里首先同相输入R2=350ohm就不对了吧,这里应该焊接的是60ohm电阻。 再检查下layout 电阻值。
我这个原理图是TINA仿真的结果,PCB上的电阻不是与TINA电阻标号一一对应的
我这个原理图是TINA仿真的结果,PCB上的电阻不是与TINA电阻标号一一对应的
我这个原理图是TINA仿真的结果,PCB上的电阻不是与TINA电阻标号一一对应的
我这个布线有问题么
布线还好,注意尽量不要走90度的trace。
您现在遇到什么问题了呢,一级一级测量输出看是哪级出现的问题。
我输入了100MHz,5mv的信号,输出的确实一个失真严重的波形,并且不管怎么改变输入信号的幅值频率,输出都稳定在2.5V,11MHz左右