VCA821输出底部被削顶
输出最大60mVpp,在变大就会失真
This thread has been locked.
If you have a related question, please click the "Ask a related question" button in the top right corner. The newly created question will be automatically linked to this question.
你好,我使用的是双电源供电+-5v,输入我用探头测试了一下他的波形,发现是正常的,我在输入端加偏置的话,输出不是也会带有直流量吗
我测试发现它输出负电压小于一定值的时候就会截止,高于那个电压波形正常
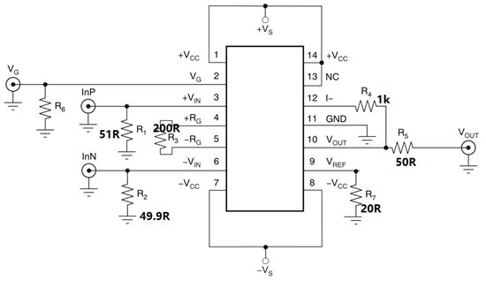
您把VCA821的电路发过来看下。Haojie Xu 说:你好,我输出低于70mVpp左右就会失真