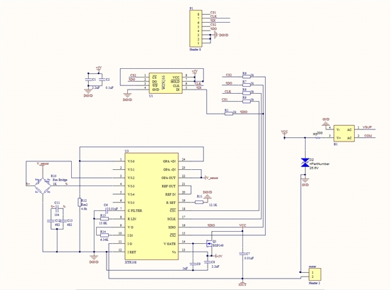
如图所示:
XTR108的电流源输出配置到VI-0,用来激励电阻桥;电阻桥连接输入端口是VI2, VI3
在没有写入EEPROM 数据前,XTR108的VI-0当然是没有输出电流的,
写入EEPROM 数据后, XTR108在VI-0输出大约1mA的电流,因为我用R12=4.9k的取样电阻得到4.8V的传感器激励电压;
这个比手册给出的0.493v 要高一倍;但至少能说明XTR108是按EEPROM的配置工作了。
问题是,电路输出电流永远是2mA左右,改变配置参数会有微小变动,但找不到任何规律,
电阻桥传感器灵敏度2mV/v
传感器的输出差分电压是0~10mV, 共模电压是2.5v, 但是却输出电流只有2.0mA左右 且不随输入信号改变;无论如何修改PGA还是其他参数都不起作用.
另外,这里是EEPROM里的数据,CHECKSUM 会有问题吗?

