This thread has been locked.

If you have a related question, please click the "Ask a related question" button in the top right corner. The newly created question will be automatically linked to this question.

LM2904输出低压削波问题

Other Parts Discussed in Thread: LM2904

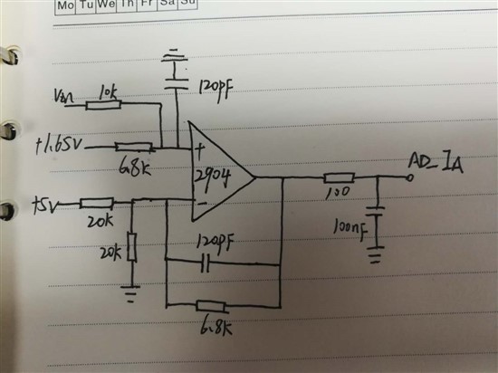
问题描述1.LM2904运放电路图如下,采用单电源5V供电,输出波形发生低压削波问题,削波处电压约0.6V。

                2.在同比例放大反馈电阻,由6.8K变68K,20K变200K,再进行测试,得到测试波形如图2所示.

 

测试电路图

图1

图2