This thread has been locked.

If you have a related question, please click the "Ask a related question" button in the top right corner. The newly created question will be automatically linked to this question.

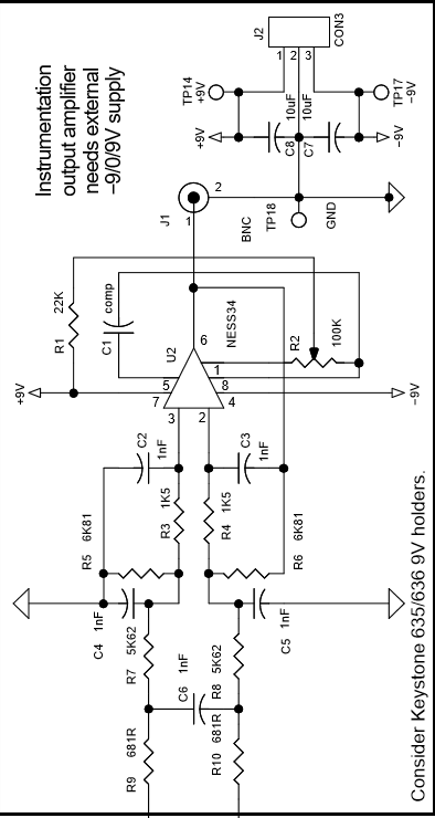
放大器滤波电路

Other Parts Discussed in Thread: NE5534

电路图中用的是TI的NE5534SA芯片,我想知道,R9,C6,R5都起了什么作用,是做什么用的。还有图中的RC滤波部分是那几部分,都有什么作用。为什么滤波之后衰减比较严重