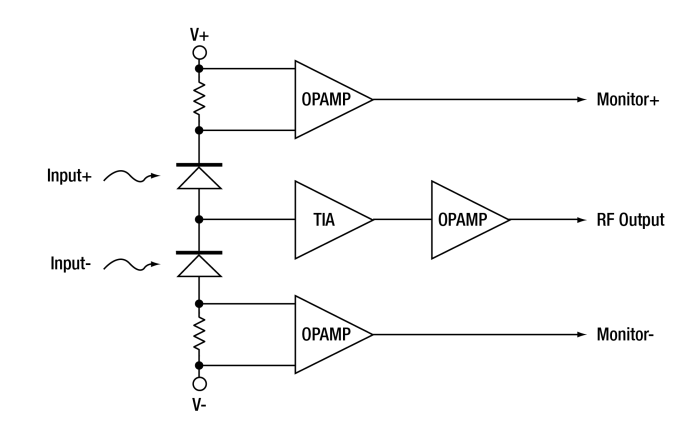
在利用OPA657进行仿真时,进行交流分析发现系统提示只能有一个输入源,不知道什么原因,希望各位大神指点。我利用两个电流源来仿真光电探测器
This thread has been locked.
If you have a related question, please click the "Ask a related question" button in the top right corner. The newly created question will be automatically linked to this question.
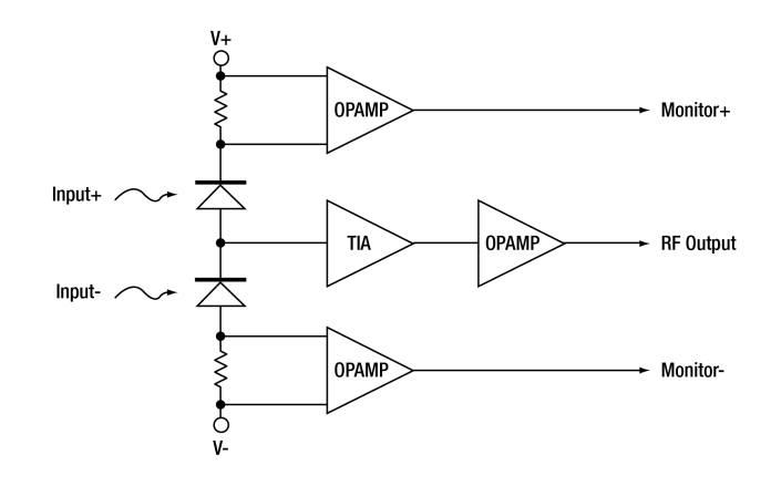
在利用OPA657进行仿真时,进行交流分析发现系统提示只能有一个输入源,不知道什么原因,希望各位大神指点。我利用两个电流源来仿真光电探测器