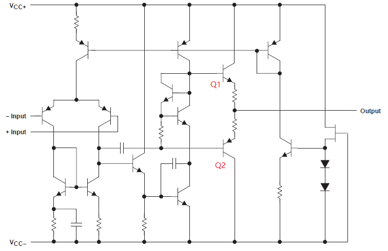
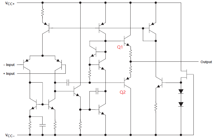
请问当该音频运放的输出开路时,正常情况下Vout电压是接近Vcc的吗?
(此时输入V+和V-正常)
如果可以的话,能否从内部结构层面上解释一下这种情况下Vout的数值?
This thread has been locked.
If you have a related question, please click the "Ask a related question" button in the top right corner. The newly created question will be automatically linked to this question.