This thread has been locked.

If you have a related question, please click the "Ask a related question" button in the top right corner. The newly created question will be automatically linked to this question.

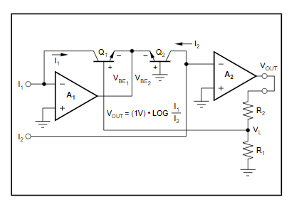
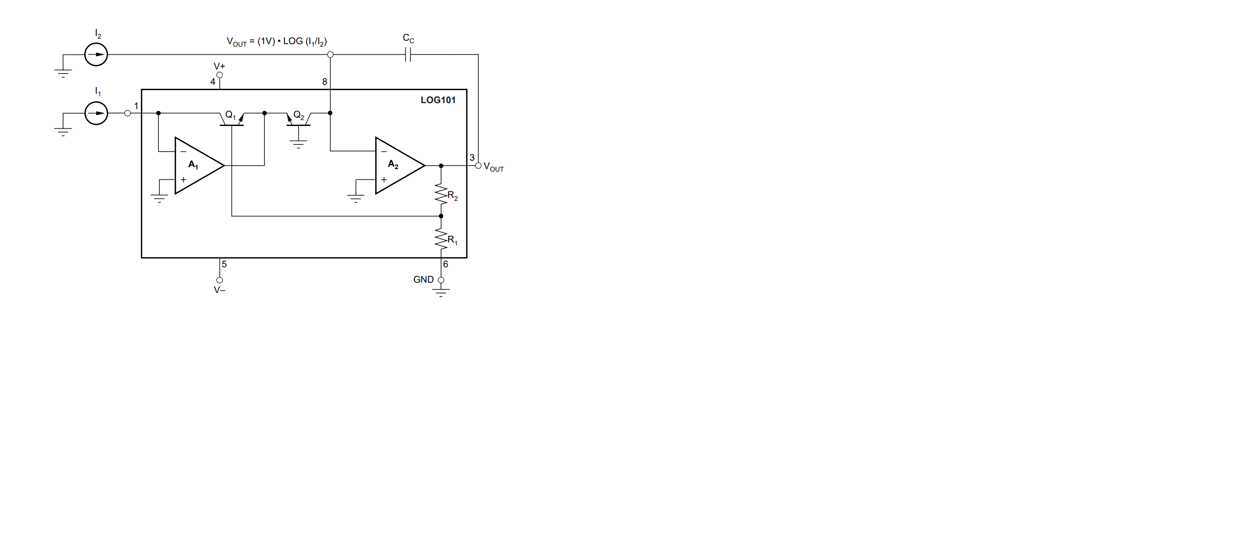
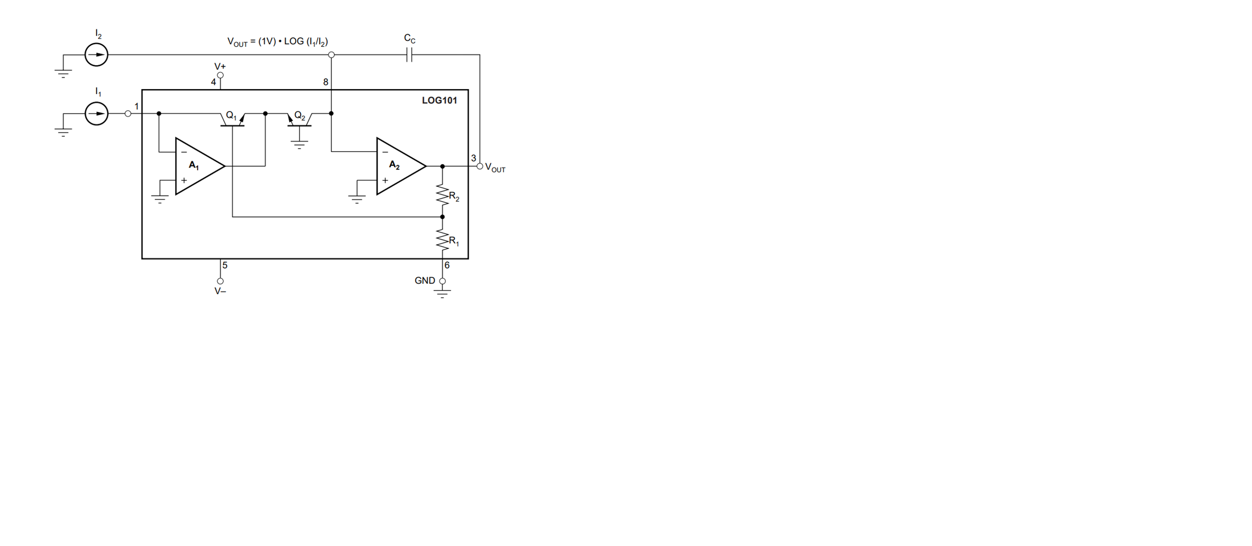
LOG101

Other Parts Discussed in Thread: LOG101, OPA196

我按照这个上面搭建了仿真电路,为什么输入电流都流入运放了?而且实现不了对数放大电路的功能