用一个差分运放 做了个霍兰德恒流源,OPA140用来当缓冲 ,缓冲位置为电流设定电阻下端,到差分运放负反馈 回路 。简单跟随器。
正常用恒流测试电阻时效果 很好,直到被测电阻附带感性,OPA140开始坏掉,原因在于同相输入端直接连接的是恒流输出点,即被测负载的一端,感性负载断开时,这个位置有高电压,损坏运放。
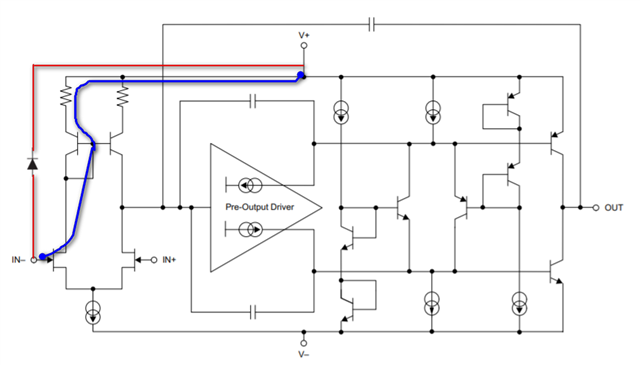
问题 在于:
1.有些坏了的运放同相端与电源 短路了 ,有些整个测试电路指标不对,但是OPA140似乎没坏(万用表测试同相反相端电压相等),该判断是否有效?
2.OPA140有内部静电防护电路,不超过10mA就不会有问题,基于这个条件 ,电路计划在同相端串入10k电阻,不知是否有效(感性负载放电电压不确定,但可以确定断开前电流不超过50mA)?
3.如上图,OPA140内部ESD防护,四个二极管是否不是实际 的二极管,而是OPA140供电后ESD保护等效模型?当时想用万用表简单判断下该处是否有问题时,发现万用表二极管档没有反应,没使用过的新芯片同样无法测试出二极管。?

