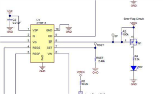
如上图,用户指导中的原理图。
现在有个问题,我想要使用EF脚进行开路指示,可我又不想向用户指导里的这样,整的太复杂。
XTR111的基准输出可以采用电阻编到5V,EF脚说是5V内部弱上拉,OD输出方式。
为什么不可以直接将基准输出接电阻接LED再进EF脚,给1-2mA,应该可以的。
是这种做法有问题,还是我对datasheet的理解有问题?
可行不?
This thread has been locked.
If you have a related question, please click the "Ask a related question" button in the top right corner. The newly created question will be automatically linked to this question.
如上图,用户指导中的原理图。
现在有个问题,我想要使用EF脚进行开路指示,可我又不想向用户指导里的这样,整的太复杂。
XTR111的基准输出可以采用电阻编到5V,EF脚说是5V内部弱上拉,OD输出方式。
为什么不可以直接将基准输出接电阻接LED再进EF脚,给1-2mA,应该可以的。
是这种做法有问题,还是我对datasheet的理解有问题?
可行不?
不仅仅是基准输出代替图中的VDIG,而是去掉图中的MOS Q1和电阻R2.
将D2的阴极接EF,R4的上端接5V基准输出。
测试板的原理图就为了点个二极管,那么折腾太复杂了。