
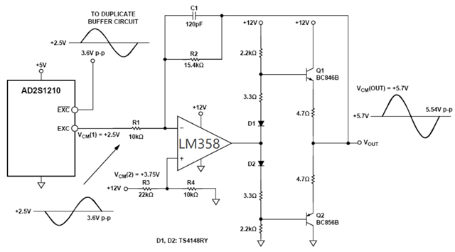
如上图所示,AD2S1210的输出EXC接运放前置功率放大电路,目的是放大信号的幅值,同时提高输出功率。请教一下,该电路具体的工作原理是什么?为什么把VOUT反馈到反相输入端可以构成负反馈?负反馈指的不是应该把运放的输出反馈到反相输入端吗?谢谢
This thread has been locked.
If you have a related question, please click the "Ask a related question" button in the top right corner. The newly created question will be automatically linked to this question.

如上图所示,AD2S1210的输出EXC接运放前置功率放大电路,目的是放大信号的幅值,同时提高输出功率。请教一下,该电路具体的工作原理是什么?为什么把VOUT反馈到反相输入端可以构成负反馈?负反馈指的不是应该把运放的输出反馈到反相输入端吗?谢谢