Part Number: OPA2191
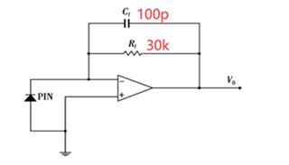
当我使用OPA2191作为TIA放大光电探测器信号时,电路原理图如下:

当我单纯给放大器供电时,所得到的输出如下图所示,噪声的峰峰值在10mv左右:

当我将光电探测器连接至输入时,(光电探测器接收端被遮住),放大器的输出产生了峰峰值近100mv的噪声,且每个噪声团间隔0.01s左右,测试周围没有其它设备干扰(只有电脑、采集卡、直流电源),如下图所示:

上图的频谱图如下:

This thread has been locked.
If you have a related question, please click the "Ask a related question" button in the top right corner. The newly created question will be automatically linked to this question.
Part Number: OPA2191
当我使用OPA2191作为TIA放大光电探测器信号时,电路原理图如下:

当我单纯给放大器供电时,所得到的输出如下图所示,噪声的峰峰值在10mv左右:

当我将光电探测器连接至输入时,(光电探测器接收端被遮住),放大器的输出产生了峰峰值近100mv的噪声,且每个噪声团间隔0.01s左右,测试周围没有其它设备干扰(只有电脑、采集卡、直流电源),如下图所示:

上图的频谱图如下:
