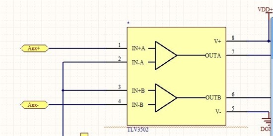
用LMH6518的AUX输出接TLV3502高速比较器做触发电路,DAC提供触发电平
想+,-输出极性正好是相反的,故这样可以上升沿,下降沿触发...直接这样接可行么?
这是数据表给出的和LMH7220比较器的参考链接图,为什么要加下拉和下拉电阻呢??
This thread has been locked.
If you have a related question, please click the "Ask a related question" button in the top right corner. The newly created question will be automatically linked to this question.
Zheng Zhao,
1) 的问题是:两个输出信号不是绝对对称的。一个输出变高的同时,另一个输出变低。如果之间有一些时间差(芯片内部的两个比较器不是绝对一致的),会造成共模信号。如果走线比较短,或者信号跳变速度不高,问题不大。如果走线比较长,信号速度有高,该共模信号会引起EMC问题。你看一下LMH7220的数据手册,会发现输出对称性要好的多。建议优先选择LMH7220。
2)那些“上拉电阻和下拉电阻”是把输出的节点电压设置在1.2V左右。LMH6518的输出共模电压也是1.2V。这样连接时,没有大的直流电流流出/入 LMH6518。选值的另一个标准是上拉电阻和下拉电阻并联后的值跟PCB走线的阻抗(常用50欧姆)相匹配。
Best Regards
Frank Pan