你好!咨询一款IV运算放大器,电流是0~±50mA,信号频率是25KHz的方波,转换成电压信号0~±5V。
This thread has been locked.
If you have a related question, please click the "Ask a related question" button in the top right corner. The newly created question will be automatically linked to this question.
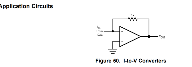
您好,可以考虑使用低输入偏置电流的跨阻运放来实现IV转换,比如LMC6172,LMP7721这类跨阻运放来实现IV转换。应用如下:
