This thread has been locked.

If you have a related question, please click the "Ask a related question" button in the top right corner. The newly created question will be automatically linked to this question.

OPA820在0~10M通频带内增益起伏很大

Other Parts Discussed in Thread: OPA820

各位老师好~请教一个小问题~

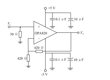
在做宽带放大器的时候前级放大用OPA820 ,G=2可以实现,波形也很漂亮,但是题目要求的“0~10M通频带内增益起伏<1dB”条件完全不能满足,检查发现OPA8020在800KHZ频率开始有增益衰减,至10MHZ时衰减一半。是我的电路问题还是测量问题?请前辈不吝赐教!谢谢!另附前级放大电路图

  • 电路你可以参考OPA820的数据手册第13页的Figure 1. Gain of +2, High-Frequency Application and Characterization Circuit

    我使用OPA820做20倍放大,在5M以前衰减都不明显,在5M到10M的确有一定衰减(应该是放大倍数比较大而其带宽增益积比较小的原因)。

    不过你的放大倍数只有2所以不必担心这种情况。

    你的电路理论上是没有问题的,你将你的输出串联一个50欧电阻测试一下。

    此外你的旁路电容最好是使用数据手册里面的推荐值。

  • 输出端串了一个电阻之后效果好了一点。不是电路的问题,是测量问题。我们开始只有一个示波器探头,所以只看了输出。后来测量了输入发现输入也在减半,计算了一下,基本满足G=2。

    谢谢~~~~