TI的大大们 ,我按照VCA822上面的电路搭建了一个四象限电路,按照公式
是不是Rg和R1必须完全相等,误差很小?
现在我做的有一个现象,将载波1M,1Vpp 加载在Vin,然后将Vg,100K输入0.5Vpp或者到1Vpp
得到如下的波形:
类似包络,其实有时候有包络,但是波形在震荡。
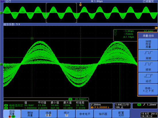
下面将波形放大:
现象是波形在上下峰值处上下波动。
这个应该不是自激或者是振动吧。
然后我做了如下的测试,断掉基波,Vg加上直流电压。
可以得到如下波形:
改变Vg可以改变Vin的幅度,频率是对的,这个就是压控放大吧。
将Vin改变为30M效果也很好。








