This thread has been locked.

If you have a related question, please click the "Ask a related question" button in the top right corner. The newly created question will be automatically linked to this question.

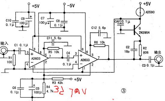
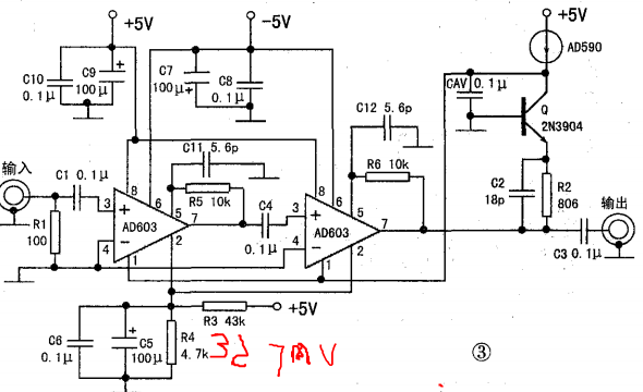
AD603输入端的电容耦合

Other Parts Discussed in Thread: VCA810, VCA820

请问,关于603的级联耦合,它输入阻抗很小,输入端用电容耦合的必要性在哪里,还有多个数量级的电容并联来级间耦合的,是为了增加可通过的频带范围吧。

而且,虽然理论上是零偏置的交流信号输入,若有直流干扰的时候,输入耦合的电容前段有没有必要加泄流电阻到地呢?

  • 1、电容耦合是为了隔离直流分量;

    2、电容后面需要电阻接地,为运放输入的偏置电流提供回路。当然,如果不用的话也不一定会出现问题,因为电容器会有漏电流,但是越好的电容漏电流越小,越容易造成输入饱和。

    3、这个问题楼主是不是应该到ADI的论坛提问更合适。。。。。。(⊙o⊙)…

    4、AD603是很老的器件了,楼主可以看看VCA810 VCA820.

  • 芯片是比较老了,不过是频域-增益(dB)调节,比较适合题目要求。

    还有一点,信号输入端Rin=100欧姆,很小,不利于增益。

    谢谢解答,还有一点,多级电容并联耦合准确的作用是什么,?一个大电容不能代替么?

  • 电容器不是理想的,影响电容频率特性的是ESL。块头大的电容高频阻抗大。个头小的电容高频阻抗小。不同容值电容并联后能够使整个频段的阻抗均比较小。