This thread has been locked.
If you have a related question, please click the "Ask a related question" button in the top right corner. The newly created question will be automatically linked to this question.
Other Parts Discussed in Thread: INA156
哎!
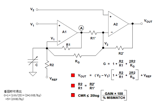
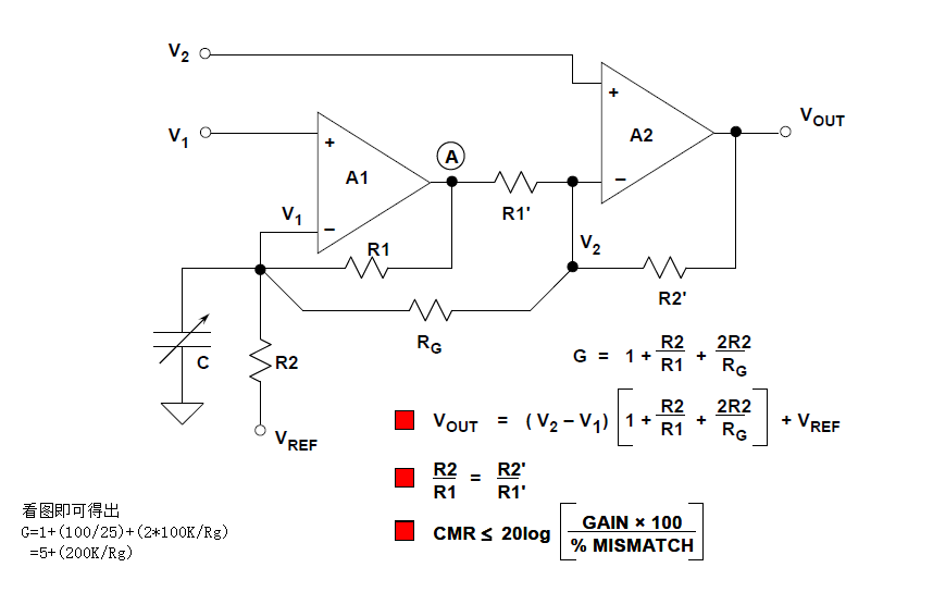
您好,这个电路就是一个典型的双运放结构的仪表放大器,仪表放大器有几种结构,典型的有三运放结构的,双运放结构的等。您可以参考一下INA156的资料,或者看一看仪表放大器相关知识。
谢谢啦啦