This thread has been locked.
If you have a related question, please click the "Ask a related question" button in the top right corner. The newly created question will be automatically linked to this question.
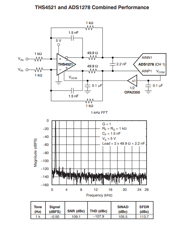
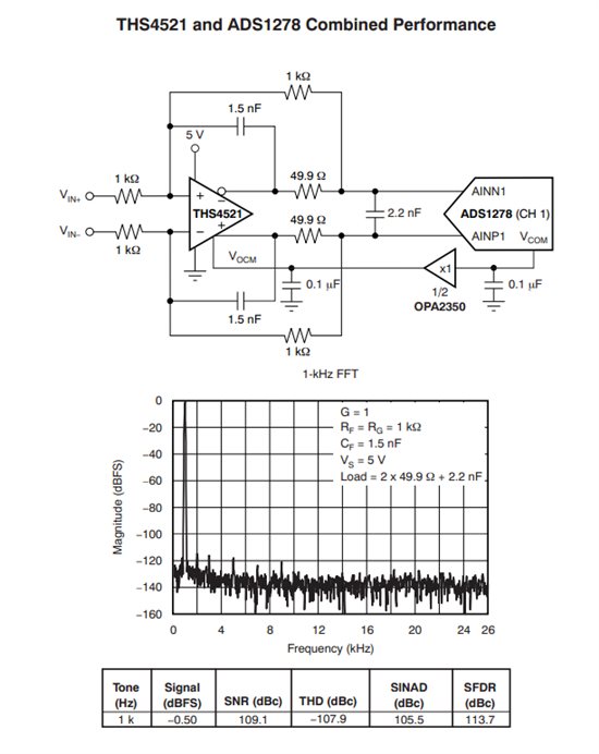
如此图中的两个1.5nF;
这个电容是提供一个交流反馈回路,49.9ohm是为了提高容性负载的驱动能力,您就参用这个参考设计值就可以。谢谢!
这个可以起到抗混滤波的做用吗?还是ads1278不需要做抗混滤波?