This thread has been locked.

If you have a related question, please click the "Ask a related question" button in the top right corner. The newly created question will be automatically linked to this question.

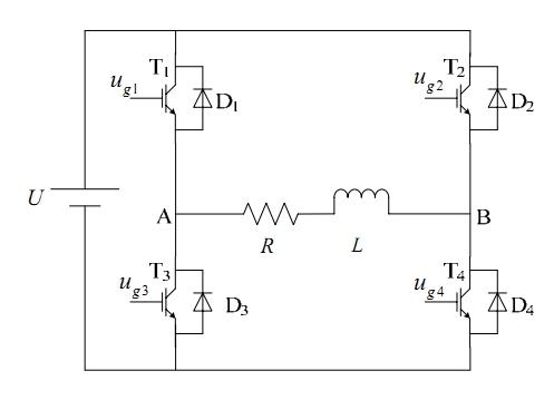
电流感应器推荐

Other Parts Discussed in Thread: LMP8602

想  使用电流传感器感应H桥中负载电阻R的电流,最好把感应的电流使用电压输出,高侧和低侧电流感应器可以使用吗?求推荐