This thread has been locked.

If you have a related question, please click the "Ask a related question" button in the top right corner. The newly created question will be automatically linked to this question.

放大

Other Parts Discussed in Thread: OPA564, OPA333, DAC8811

该图是我截取OPA564规格书里的一小部分电路图,我想问问信号(0-5V,4MHZ)从-IN进入,在输出端能不能达到2A左右的电流输出?

在此先谢谢各路大神为菜鸟解答

  • 不太清楚说的0-5V是指的什么,是峰峰值么?

    如果是峰峰值的话,该信号对压摆率的要求为PfA=63V/us

    OPA564只有40V/us,光是SR这一项就不能完全符合要求。

    此外,电流连续输出只能到1.5A,2A如果指的是连续电流的有效值的话,估计也不能完全符合要求。

  • 不好意思,因为我不懂,所以没有表述清楚,是峰峰值,那您有什么型号的芯片推荐没

  • 如果峰峰值为2V,频率为4MHZ,输出电流为1.5A,OPA564能否满足?

  • 从datasheet的图中可以看出来,对于阶跃信号,响应如上图。对于你所说的正弦波而言,是没问题的。

    当然该器件增益带宽积只有17MHz,不知道你的增益是多少。要充分考虑增益带宽积是否满足要求。

    尤其需要注意的是,这个器件的PSRR在4MHz的时候很低。要注意评估是否能够满足系统的要求

  • 谢谢您的解答,综上所述,您能否给我提供种更好的芯片?

  • 增益只要能达到1都可以

  • 目前单就你提出来的指标而言,OPA564是可以满足要求的。

    看你的需求,1倍增益,需要一个大电流输出,应该是想要这个运放做信号的缓冲器对吧?

    特别需要注意的是全功率带宽可能达不到要求,如果达不到要求的话最好在前级做一点补偿。

  • 做功率放大,它的负载是一个绕线圈

  • 如果你是做中频波段的功放,那么是不是对加载到负载上的波形要求不高呢?

    如果要求不高的话,可以采用更加灵活、性价比更高的方案。比如可以使用CSD17570这样的MOS管来驱动线圈,或者采用其他的管子搭建一个简单的丙类放大器。

  • 对波形的要求有点高,,这个图的OPA333和2N2923的作用是为第9引脚的Iset提供一个电流,我能不能直接用一个电源和电阻提供这个电流?

  • 对波形要求高的话还是使用OPA564吧。

    是可以直接用电源和电阻提供电流的。

    datasheet画出了Iset这部分内部的结构:

    由于限流大小的计算如下式所示:

    从图上可以看出,其实限流的大小就等于流过Iset引脚上的电流的20000倍。你给的图中的那个电路其实是一个可程控电流源,可以通过调节Vset的大小来改变流过Iset的电流。根据我的计算,最终OPA564的限流大小与Vset的关系应该为:

    Iset=4Vset

  • 能给我分析一下这个电路图不其中+1V/+1A是不是说输入为1V时,输出电流为+1?底下的两个R4电阻有什么作用?还有那个二极管是不是起保护作用?最后我还想问问我能不能直接在输入端接入幅值为5V的信号?谢谢

  • 楼主您好!

    1.这个图实际上是一个Hawland电流源。其中1V/+1A确实像你所说的一样,当输入为1V时,输出电流为1A。

    2.尤其需要注意的是,这个图中的二极管其实是代表负载的意思。这个时候的1A,是指的通过负载的电流为1A,严格意义来讲并不是运放输出的电流为1A。

    3.底下的两个R4电阻是起到正反馈的作用,其意义在于使得负载上的电流均衡。你可以想想看,当负载电阻变大时,要维持恒流,运放输出的电压是不是应该变大?此时是不是应该有个反馈量使得运放的同相端电压略微抬升?

    4.根据Iload=Vin可以计算得到,输入端是不能输入5V的电压的,因为运放不具有输出5A电流的能力。如果输入5V电压则会出现不可预料的后果。

    我再整理一下电流源的计算过程。一会儿整理出来之后告诉你。

  • 楼主你好,以前我曾经写过一篇关于Hawland电流源的文章,供你参考:

        Howland电流源虽然简单,但是却是这几天我见过的最耐人寻味的电路之一。

     

        Howland电流源很早之前我就见过,但是当时却不知道这个电压转电流的电路居然还有个名字。最近在DAC8811的数据手册的应用电路部分(数据手册第11页),电路图如下所示:

        刚拿到这个电路图的时候,我很纳闷。为什么这个电路里面居然把反馈加载了同相端?

        假设一种极端情况,在Load负载电阻阻值较大的情况下(即忽略IL):

        同相端的反馈为150K/(150K+50+15K)×Vout=91%Vout。

        反相端的反馈为150K/(150K+15K+50K)Vout=70%Vout。

        也就是说 ,同相端的反馈比反相端的反馈力度还要大。

        这么说的话,这种电路,导致放大器工作在比开环更加严重的正反馈的状态下。在这样的情况下,放大器要么满幅输出,要么震荡。

        可是作为电流源,这种输出显然不是我们希望的。

        就在纳闷之时,一个学弟跑了过来,跟我们说,他看到ADI的一个数据手册上,R3’的值为50欧!

        我们恍然大悟:原来TI官方的数据手册也有有误的时候!

        如果把R3’改为50欧,那么整个电路就好理解了。

       

        此时,若暂时不关注LOAD,那么同相端以及反相端的电路几乎是一致的。而若考虑LOAD的因素,同相端的反馈则会小于反相端的反馈,运放会工作在线性放大区而非饱和区。

        我们把Datasheet中的电路简化,简化成这样一个电路:

        假设此时R1、R2、R3、R4之间存在如上图所示的比例,因为放大器工作在线性区,所以同相端反相端的电压应该是相等的,即满足虚短虚断的条件,假设同相端的电压为Vx,运放输出电压为Vo,则存在以下关系:

    (V1-Vx)/R1 = (Vx-Vo)/R2

    Vx/R3 + Vx/RL = (Vo-Vx)/R4

        把1式的Vo解出来,代入2式,并把2式的Vx/R3移到右边,即可得到

        因为R1R4=R2R3,所以可得RL上的电流为-V1/R3。

        神奇吧,最后得到的RL上的电流,仅与R3和输入电压有关,而且是线性关系。最重要的是,这个电流源不像其他的电流源。因为负载电阻可以直接接地,而且负载电阻上的电流可正可负,具体大小与正负由输入电压来决定。

        另外在网上还发现了其他形式的Howland电流源,其原理都一样,形式不同而已:

        1.一看配色就知道是凌特的电路:

        2.中间的Logo烦死个人:

     

        到了现在,再来回想一下为什么反馈要接在同相端:

        对于一个接地的负载而言,当电流越大的时候,越需要负载上的电压变大。若将“需要输入电压变大”这个信号量反馈到输入端,那么肯定是要反馈给同相端啦。所以,见到的所有的Howland电流源,应该都在运放的同相端上加了反馈。

  • 楼主你好,这是计算分析的过程,供你参考:

  • 非常感谢,其实我也想直接把图放到编辑框里,但是好像粘贴不了,我下次问问题的时候再试试,谢谢

  • 先保存图片,然后选择上传:

  • 您好,针对我上述的电路图的要求(输出是2A电流),将该电路制成PCB时,我想问问需不需在芯片OPA564上加个散热片?谢谢

  • 要,必须要,一定要。不光是要加散热片,而且要加很大很大的散热片。

    OPA564的输出电阻为10欧姆。楼主可以算算输出2A的电流的时候,芯片的发热功率有多恐怖。

    所以,不建议OPA564用在持续的2A电流下,时间久了会出问题。

    OPA564的热阻大概为50左右,如果加足够大的散热片以及其他的冷却办法,估计也最多能够承受20W的功率。

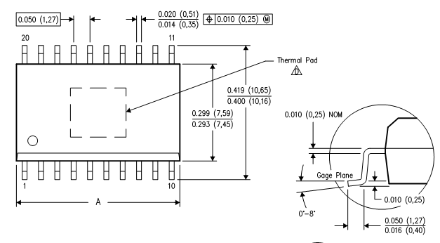
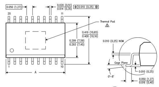
  • 好的,谢谢哈,OPA564底下不是有散热盘,如图所示 ,请问我还需要额外加散热片吗?如果需要,那应该在哪加,怎么加?

  • 是的,这个封装的是有散热焊盘的,一般有这种power pad的器件,正确的处理方法是下面铺上与其相同面积的铜到V-,如果是单电源供电的话,则连到GND plane即可,达到较好的散热性能