This thread has been locked.

If you have a related question, please click the "Ask a related question" button in the top right corner. The newly created question will be automatically linked to this question.

关于运放的电源设计

Other Parts Discussed in Thread: OPA2227, LM2576, TPS65130, TPS61175

利用OPA2227放大信号的最大幅值范围为±14V,因而需要为OPA2227提供至少一路+14V和一路-14V的电源,或±15V的电源。请问有那款电源适合输出大于正负14V的电压后可以通过LDO稳压至+14V和-14V?

  • 请问楼主是不是指DCDC不知道采用何种方案?

    正电源可以采用LM2576,负电源同样可以采用LM2576.

    正电源可使用LM2576的datasheet里面的Figure 1

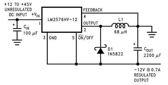
    负电源可以使用LM2576的datasheet里面的Figure 28

  • 很抱歉,我没有把问题描述清楚。我是需要DCDC的方案,然后我没有写清楚我的需求,我现在需要从+5V的电源升压到±17V左右,然后通过LDO芯片LM78L15和UA78L15A输出±15V。这种情况下升压用的DCDC有什么比较好的芯片推荐?

    利用TPS65130,可以从+5V电源得到±15V的电源输出,上面的方案得到的±15V用于给运放供电的效果,应该会比TPS65130的方案好吧?

    我的方案里的OPA2227是用于制作信号发生器上的,信号范围希望能达到±14V或者±15V,同时保证比较好的精度。谢谢。

  • 楼主你好,正负18V输出的目前我也没找到。不过建议你可以使用两片DCDC的方案。

    输出正压18V可以使用TPS61175,根据典型电路即可获得。

    输出负压-18V可以参照LM2576的datasheet里面的Figure28,将Vout与GND的引脚互换,此时Vout即为-18V输出。

    具体细节你可以再仿真验证一下,或者把这个问题转发到deyisupport的Power版上去。

    这是LM2576产生负压的方法,供参考: