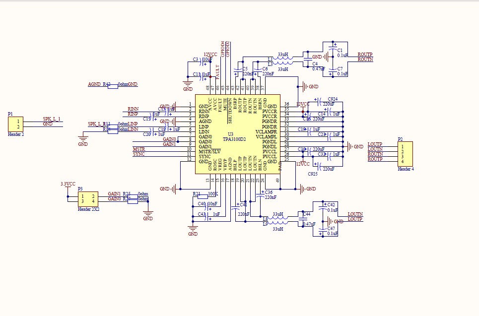
上图是我们公司采用的电路图,完全根据手册上提供的电路图。
电路图中GPIOD2和GPIOD4引脚接ARM(3.3V供电)。
FAULT,MSTR,SYNC,RINN,RINP悬空。
当GPIOD2(shutdown)为高,GPIOD4(mute)为低时,此时电流很大,供电电源跳掉了。
后电路图修改为引脚shutdown接100K上位至12V,mute接地。发现电流很大(1A左右),没两秒钟,芯片就很烫。试了三块板子都是同样的问题
如果引脚shutdown悬空,电流不大才几十mA(总的电路中还有其它芯片)。
请问下芯片是不是烧掉了?我的这电路对吗?
谢谢。
