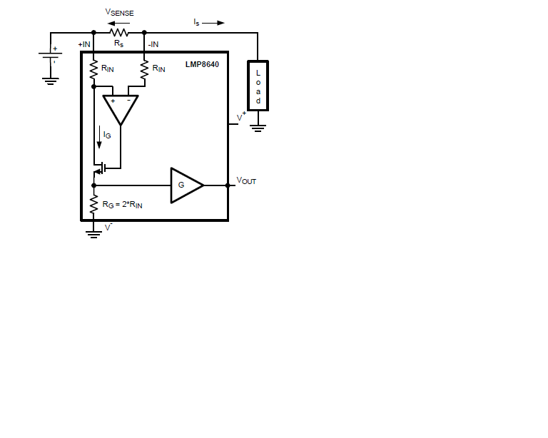
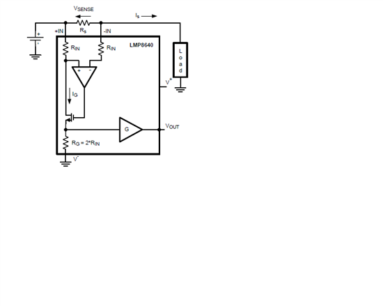
请看附件,这是我的原理图。
在焊接的时候,除了R133,C111和D103没有焊接外,其他的都焊接了。
测试过程中,没有待测电流shunt current。片子上印的是AC6A。
用可编程电源供电,设定电压为+5V,电流为100ma,上电后电压显示1V左右,电流已经到了100ma。
以后为片子焊接反了,重新换了一片,只焊接芯片,没有任何外围的电阻电容,然后上电,结果还是一样。
请问是什么原因?难道我买的片子是假的?
看了你们的开发板,也是类似的接法。
This thread has been locked.
If you have a related question, please click the "Ask a related question" button in the top right corner. The newly created question will be automatically linked to this question.
请看附件,这是我的原理图。
在焊接的时候,除了R133,C111和D103没有焊接外,其他的都焊接了。
测试过程中,没有待测电流shunt current。片子上印的是AC6A。
用可编程电源供电,设定电压为+5V,电流为100ma,上电后电压显示1V左右,电流已经到了100ma。
以后为片子焊接反了,重新换了一片,只焊接芯片,没有任何外围的电阻电容,然后上电,结果还是一样。
请问是什么原因?难道我买的片子是假的?
看了你们的开发板,也是类似的接法。
问过了,是从深圳买的,是普通的贸易商,不是正规的一二级代理,因为量小(200片),没法通过他们买。
我刚把一片坏的拨开了,因为正好塑封的一个角在焊接的时候崩掉了。
结果发现里面没有晶圆die,请看附件。
我越来越觉得这个货是假的:塑封这么容易崩掉;没发现晶圆。
这个是典型电路图,你电路中两个75ohm电阻是用来做什么的?输入匹配电阻?电流输入多大?你也可以参考EVM 中的电路:http://www.ti.com/lit/ug/snoa546c/snoa546c.pdf
75R的电阻和电容是用来做低通滤波的,刚焊接来好,来通电,所以电流都没有上,shunt resist也没有焊接(当时还没到货)。
后来我在一块新板子上,只焊接了这个片子,然后接上5V电源,结果一样,5V出不来,电流很大到了100ma电源保护了。
内部没有晶元这个也太假了,不过要提醒下,即使有晶元, 即使丝印都符合TI的命名规则,但是我们判断真伪的唯一标准就是通过正规的授权代理商购买,这款器件我看了下有免费样片可申请,你进入以下产品主页点击“获取免费样片”进行申请可进行试验验证。
样品拿到了,上电,电压,电流正常。
简单测量,能够放大。
但是在仔细测量中,发现这个片子的offset非常大,当IN+,IN-只有0.075m的电压是(直接测的芯片的两个输入脚),output电压竟然有17mv左右,非常奇怪。
datasheet上说只有最大1mv左右的offset电压。
请帮忙看看会是什么问题。